당사는 회원님께 최대한으로 최적화되고 맞춤화된 서비스를 제공하기 위하여 다음과 같은 목적으로 개인정보를 수집하고 있습니다.
단, 이용자의 기본적 인권 침해의 우려가 있는 민감한 개인정보(인종 및 민족, 사상 및 신조, 출신지 및 본적지, 정치적 성향 및 범죄기록, 건강상태 및 성생활 등)는 수집하지 않습니다.
귀하의 개인정보는 다음과 같이 개인정보의 수집목적 또는 제공받은 목적이 달성되면 파기됩니다. 단, 상법 등 관련법령의 규정에 의하여 다음과 같이 거래 관련 권리 의무 관계의 확인 등을 이유로 일정기간 보유하여야 할 필요가 있을 경우에는 일정기간 보유합니다.
귀하의 동의를 받아 보유하고 있는 거래정보 등을 귀하께서 열람을 요구하는 경우 당사는 지체없이 열람, 확인할 수 있도록 조치합니다.
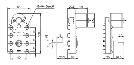
홈 - 제품소개 - 모터 - DC 마이크로 기어드 모터 - MF56 Series



| Description | Current | Speed | Torque | Output | Eff | |
|---|---|---|---|---|---|---|
| A | rpm | g-cm | Watt | % | ||
| NO LOAD | 12V | 0.07 | 5000 | - | - | - |
| 24V | 0.04 | 5000 | - | - | - | |
| AT MAX. EFF | 12V | 0.31 | 4117 | 45.5 | 2.27 | 61.0 |
| 24V | 0.18 | 4118 | 52.2 | 2.58 | 61.3 | |
| AT STALL | 12V | 1.42 | - | 342.0 | - | - |
| 24V | 0.80 | - | 376.0 | - | - | |
| Gear/Motor | 3429 (24V 5000rpm ) | 3429 (12V 5000rpm ) | ||
|---|---|---|---|---|
| RPM | Kg.Cm | RPM | Kg.Cm | |
| 1 / 35 | 143.0 | 1.0 | 143.0 | 1.0 |
| 1 / 50 | 100.0 | 1.5 | 100.0 | 1.4 |
| 1 / 60 | 83.0 | 1.8 | 83.0 | 1.7 |
| 1 / 70 | 71.0 | 1.9 | 71.0 | 1.8 |
| 1 / 80 | 63.0 | 2.2 | 63.0 | 2.1 |
| 1 / 90 | 55.0 | 2.4 | 55.0 | 2.3 |
| 1 / 100 | 50.0 | 3.0 | 50.0 | 2.9 |
| 1 / 150 | 33.0 | 4.0 | 33.0 | 3.9 |
| 1 / 200 | 25.0 | 5.4 | 25.0 | 5.2 |
| 1 / 240 | 21.0 | 6.3 | 21.0 | 6.1 |
| 1 / 300 | 16.0 | 8.1 | 16.0 | 7.9 |
| 1 / 350 | 14.0 | 9.5 | 14.0 | 9.2 |
| 1 / 400 | 12.0 | 10.5 | 12.0 | 10.2 |
| 1 / 460 | 10.9 | 11.9 | 10.9 | 11.5 |
| 1 / 500 | 10.0 | 13.0 | 10.0 | 12.6 |
| 1 / 550 | 9.1 | 13.0 | 9.1 | 13.0 |
| 1 / 600 | 8.3 | 13.0 | 8.3 | 13.0 |
| 1 / 670 | 7.5 | 13.0 | 7.5 | 13.0 |
| 1 / 700 | 7.1 | 13.0 | 7.1 | 13.0 |
| 1 / 750 | 6.5 | 13.0 | 6.5 | 13.0 |