당사는 회원님께 최대한으로 최적화되고 맞춤화된 서비스를 제공하기 위하여 다음과 같은 목적으로 개인정보를 수집하고 있습니다.
단, 이용자의 기본적 인권 침해의 우려가 있는 민감한 개인정보(인종 및 민족, 사상 및 신조, 출신지 및 본적지, 정치적 성향 및 범죄기록, 건강상태 및 성생활 등)는 수집하지 않습니다.
귀하의 개인정보는 다음과 같이 개인정보의 수집목적 또는 제공받은 목적이 달성되면 파기됩니다. 단, 상법 등 관련법령의 규정에 의하여 다음과 같이 거래 관련 권리 의무 관계의 확인 등을 이유로 일정기간 보유하여야 할 필요가 있을 경우에는 일정기간 보유합니다.
귀하의 동의를 받아 보유하고 있는 거래정보 등을 귀하께서 열람을 요구하는 경우 당사는 지체없이 열람, 확인할 수 있도록 조치합니다.
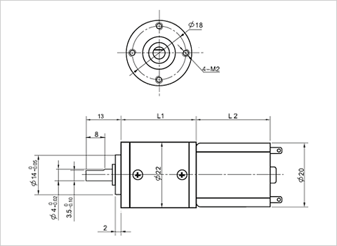
홈 - 제품소개 - 모터 - DC 마이크로 기어드 모터 - SUPR Gear Series


| Model | Rated voltage | No-load | Rated | Ouput power | Stall | Length | ||||
|---|---|---|---|---|---|---|---|---|---|---|
| Speed | Current | Speed | Torque | Current | Torque | Current | (L2) | |||
| VDC | r/min | mA | r/min | g.cm | mA | W | g.cm | A | mm | |
| 2025-0660 | 6 | 6000 | 50 | 4200 | 7.5 | 135 | 0.3 | 25 | 0.34 | 25 |
| 2025-12100 | 12 | 10000 | 70 | 8000 | 10 | 160 | 0.8 | 50 | 0.52 | 25 |
| 2032-1240 | 12 | 4000 | 40 | 2900 | 10 | 80 | 0.3 | 35 | 0.18 | 32 |
22JX5K / 2025-0660
| Reduction ratio | 51 | 71 | 100 | 139 | 189 | 264 | 369 | 516 | 720 | 981 | 1370 | 1913 | 2671 | 3730 | |
|---|---|---|---|---|---|---|---|---|---|---|---|---|---|---|---|
| Number of gear trains | 3 | 3 | 3 | 3 | 4 | 4 | 4 | 4 | 4 | 5 | 5 | 5 | 5 | 5 | |
| Length (L1) | mm | 31 | 31 | 31 | 31 | 35.5 | 35.5 | 35.5 | 35.5 | 35.5 | 40 | 40 | 40 | 40 | 40 |
| No-load speed | r/min | 117 | 84 | 60 | 43 | 31 | 22 | 16 | 11 | 8.3 | 6.1 | 4.3 | 3.1 | 2.2 | 1.6 |
| Rated speed | r/min | 82 | 59 | 42 | 30 | 22 | 16 | 11 | 8 | 5.8 | 4.3 | 3.5 | 2.7 | 2.0 | 1.5 |
| Rated torque | kg.cm | 0.32 | 0.45 | 0.63 | 0.88 | 1.1 | 1.6 | 2.2 | 3.1 | 4.3 | 5.0 | 5.0 | 5.0 | 5.0 | 5.0 |
| Max. permissible load in a short time |
kg.cm | 8 | 8 | 8 | 8 | 12 | 12 | 12 | 12 | 12 | 15 | 15 | 15 | 15 | 15 |
22JX5K / 2025-12100
| Reduction ratio | 19 | 27 | 51 | 71 | 100 | 139 | 189 | 264 | 369 | 516 | 720 | 981 | 1370 | 1913 | |
|---|---|---|---|---|---|---|---|---|---|---|---|---|---|---|---|
| Number of gear trains | 2 | 2 | 3 | 3 | 3 | 3 | 4 | 4 | 4 | 4 | 4 | 5 | 5 | 5 | |
| Length (L1) | mm | 26.5 | 26.5 | 31 | 31 | 31 | 31 | 35.5 | 35.5 | 35.5 | 35.5 | 35.5 | 40 | 40 | 40 |
| No-load speed | r/min | 526 | 370 | 196 | 140 | 100 | 72 | 53 | 37 | 27 | 19 | 13 | 10 | 7.3 | 5.2 |
| Rated speed | r/min | 420 | 296 | 156 | 112 | 80 | 57 | 42 | 30 | 21 | 15 | 11 | 8.8 | 6.6 | 4.8 |
| Rated torque | kg.cm | 0.17 | 0.24 | 0.43 | 0.60 | 0.85 | 1.2 | 1.5 | 2.1 | 3.0 | 4.1 | 5.0 | 5.0 | 5.0 | 5.0 |
| Max. permissible load in a short time |
kg.cm | 4 | 4 | 8 | 8 | 8 | 8 | 12 | 12 | 12 | 12 | 12 | 15 | 15 | 15 |
22JX5K / 2032-1240
| Reduction ratio | 19 | 27 | 51 | 71 | 100 | 139 | 189 | 264 | 369 | 516 | 720 | 981 | 1370 | 1913 | |
|---|---|---|---|---|---|---|---|---|---|---|---|---|---|---|---|
| Number of gear trains | 2 | 2 | 3 | 3 | 3 | 3 | 4 | 4 | 4 | 4 | 4 | 5 | 5 | 5 | |
| Length (L1) | mm | 26.5 | 26.5 | 31 | 31 | 31 | 31 | 35.5 | 35.5 | 35.5 | 35.5 | 35.5 | 40 | 40 | 40 |
| No-load speed | r/min | 210 | 148 | 117 | 84 | 60 | 43 | 31 | 22 | 16 | 11 | 8.3 | 6.1 | 4.3 | 3.1 |
| Rated speed | r/min | 152 | 107 | 82 | 59 | 42 | 30 | 22 | 16 | 11 | 8 | 5.8 | 3.3 | 2.5 | 1.9 |
| Rated torque | kg.cm | 0.17 | 0.24 | 0.43 | 0.60 | 0.85 | 1.2 | 1.5 | 2.1 | 3.0 | 4.1 | 5.0 | 5.0 | 5.0 | 5.0 |
| Max. permissible load in a short time |
kg.cm | 4 | 4 | 8 | 8 | 8 | 8 | 12 | 12 | 12 | 12 | 12 | 15 | 15 | 15 |