당사는 회원님께 최대한으로 최적화되고 맞춤화된 서비스를 제공하기 위하여 다음과 같은 목적으로 개인정보를 수집하고 있습니다.
단, 이용자의 기본적 인권 침해의 우려가 있는 민감한 개인정보(인종 및 민족, 사상 및 신조, 출신지 및 본적지, 정치적 성향 및 범죄기록, 건강상태 및 성생활 등)는 수집하지 않습니다.
귀하의 개인정보는 다음과 같이 개인정보의 수집목적 또는 제공받은 목적이 달성되면 파기됩니다. 단, 상법 등 관련법령의 규정에 의하여 다음과 같이 거래 관련 권리 의무 관계의 확인 등을 이유로 일정기간 보유하여야 할 필요가 있을 경우에는 일정기간 보유합니다.
귀하의 동의를 받아 보유하고 있는 거래정보 등을 귀하께서 열람을 요구하는 경우 당사는 지체없이 열람, 확인할 수 있도록 조치합니다.
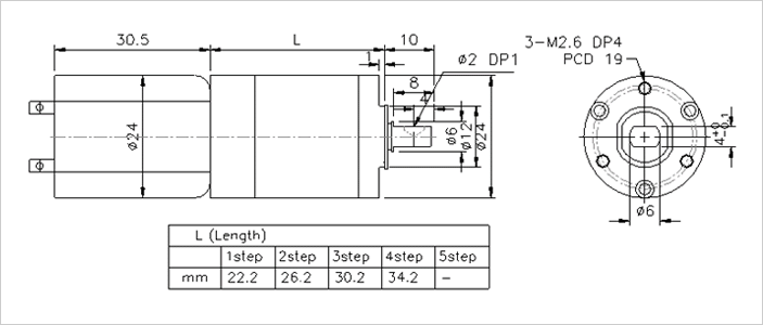
홈 - 제품소개 - 모터 - DC 마이크로 기어드 모터 - 마이크로 유성감속기



| Voltage | Speed | Current | Torque | Output | |
|---|---|---|---|---|---|
| V | R.P.M | Amps | gfcm | W(out) | |
| No load | 12 | 10500 | 0.09 | ||
| Max-Efficiency | 9000 | 0.54 | 42 | 3.88 | |
| Locked Rotor | 3.25 | 295 |
| Ratio | No load | Max-Efficiency | L | |||
|---|---|---|---|---|---|---|
| R.P.M | Amps | R.P.M | kgfcm | Amps | mm | |
| 1/3.5 | 3000 | 0.09 | 2571 | 0.14 | 0.54 | 1 step |
| 1/4.6 | 2283 | 0.09 | 1957 | 0.19 | 0.54 | |
| 1/12 | 875 | 0.09 | 750 | 0.50 | 0.54 | 2 step |
| 1/17 | 618 | 0.09 | 529 | 0.71 | 0.54 | |
| 1/22 | 477 | 0.09 | 409 | 0.92 | 0.54 | 3 step |
| 1/45 | 233 | 0.09 | 200 | 1.89 | 0.54 | |
| 1/60 | 175 | 0.09 | 150 | 2.52 | 0.54 | |
| 1/75 | 140 | 0.09 | 120 | 3.15 | 0.54 | |
| 1/100 | 105 | 0.09 | 90 | 4.20 | 0.54 | |
| 1/165 | 64 | 0.09 | 55 | 6.93 | 0.54 | 4 step |
| 1/210 | 50 | 0.09 | 43 | 8.82 | 0.54 | |
| 1/270 | 39 | 0.09 | 33 | 11.34 | 0.54 | |
| 1/350 | 30 | 0.09 | 26 | 12 Max | 0.43 | |
| 1/450 | 23 | 0.09 | 21 | 12 Max | 0.43 | |