당사는 회원님께 최대한으로 최적화되고 맞춤화된 서비스를 제공하기 위하여 다음과 같은 목적으로 개인정보를 수집하고 있습니다.
단, 이용자의 기본적 인권 침해의 우려가 있는 민감한 개인정보(인종 및 민족, 사상 및 신조, 출신지 및 본적지, 정치적 성향 및 범죄기록, 건강상태 및 성생활 등)는 수집하지 않습니다.
귀하의 개인정보는 다음과 같이 개인정보의 수집목적 또는 제공받은 목적이 달성되면 파기됩니다. 단, 상법 등 관련법령의 규정에 의하여 다음과 같이 거래 관련 권리 의무 관계의 확인 등을 이유로 일정기간 보유하여야 할 필요가 있을 경우에는 일정기간 보유합니다.
귀하의 동의를 받아 보유하고 있는 거래정보 등을 귀하께서 열람을 요구하는 경우 당사는 지체없이 열람, 확인할 수 있도록 조치합니다.
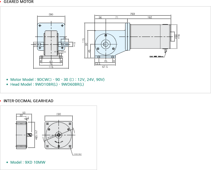
홈 - 제품소개 - 모터 - 소형 모터 - DKM소형모터 생산품




| 품 명 | 무부하시 | 정격부하시 | |||||
|---|---|---|---|---|---|---|---|
| 9DCP□-90-30 : 치절 SHAFT TYPE 9DCD□-90-30 : D-CUT TYPE |
|||||||
| 전류 | 회전속도 | 전류 | 회전속도 | Torque | |||
| A | rpm | A | rpm | gfcm | nM,m | oz-in | |
| 9DCP(D) 12-90-30 | 2.0 | 3450 | 10.0 | 3000 | 2900 | 290 | 41.13 |
| 9DCP(D) 24-90-30 | 0.9 | 3050 | 5.0 | 3000 | |||
| 9DCP(D) 90-90-30 | 0.3 | 3200 | 1.4 | 2800 | |||
| 품 명 | 출력 | 정격전압 | 기동전류 | 기동 Torque | |||
| 9DCP□-90-30 : 치절 SHAFT TYPE 9DCD□-90-30 : D-CUT TYPE |
|||||||
| HP | W | VDC | A | gfcm | nM,m | oz-in | |
| 9DCP(D) 12-90-30 | 1/8 | 90 | 12 | 60 | 20000 | 200 | 284 |
| 9DCP(D) 24-90-30 | 24 | 40 | 25000 | 2500 | 355 | ||
| 9DCP(D) 90-90-30 | 90 | 15 | 32000 | 3200 | 454 | ||

| 품명 | 회전속도(rpm) | 1500 | 1000 | 833 | 600 | 500 | 400 | 333 | 240 | 200 | 167 | 150 |
|---|---|---|---|---|---|---|---|---|---|---|---|---|
| Motor/Gearhead | 감속비 | 2 | 3 | 3.6 | 5 | 6 | 7.5 | 9 | 12.5 | 15 | 18 | 20 |
| 9DCP□-90-30 / 9PBK□BH, 9PFK□BH | kgf.cm | 5.8 | 8.7 | 10.4 | 15 | 17 | 22 | 26 | 36 | 44 | 52 | 58 |
| N.m | 0.58 | 0.87 | 1.04 | 1.45 | 1.74 | 2.18 | 2.61 | 3.6 | 4.4 | 5.2 | 5.8 | |
| lb-in | 5.1 | 7.7 | 9.2 | 12.8 | 15.4 | 19.2 | 23.0 | 32 | 38 | 46 | 51 |
| 품명 | 회전속도(rpm) | 120 | 100 | 83.3 | 75 | 60 | 50 | 40 | 33.3 | 30 | 25 | 20 | 16.7 |
|---|---|---|---|---|---|---|---|---|---|---|---|---|---|
| Motor/Gearhead | 감속비 | 25 | 30 | 36 | 40 | 50 | 60 | 75 | 90 | 100 | 120 | 150 | 180 |
| 9DCP□-90-30 / 9PBK□BH, 9PFK□BH | kgf.cm | 73 | 87 | 104 | 116 | 145 | 174 | 200 | 200 | 200 | 200 | 200 | 200 |
| N.m | 7.3 | 8.7 | 10 | 12 | 15 | 17 | 20 | 20 | 20 | 20 | 20 | 20 | |
| lb-in | 64 | 77 | 92 | 102 | 128 | 154 | 177 | 177 | 177 | 177 | 177 | 177 |


| Part | Weight (kg) | |
|---|---|---|
| Motor | 2.0 | |
| Decimal Gearhead | 0.5 | |
| Gearhead | 1.0 | |


| Gearhead용 |
|---|
![]() |
| Part | Weight (kg) | |
|---|---|---|
| Motor | 2.0 | |
| Decimal Gearhead | 0.5 | |
| Gearhead | 9P□□3BH - 9P□□9BH | 1.3 |
| 9P□□12.5BH - 9P□□18BH | 1.3 | |
| 9P□□25BH - 9P□□60BH | 1.4 | |
| 9P□□90BH - 9P□□180BH | 1.4 | |
| Model | Round Type | D-Cut Type | Key Type |
|---|---|---|---|
| 9P□S3BH - 9P□S180BH | 9P□D3BH - 9P□D180BH | 9P□K3BH - 9P□K180BH | |
| 출력축 구분 | ![]() |
![]() |
![]() |
| Model | Gear Type | D-Cut Type |
|---|---|---|
| 9DCP□ - 90 - 30 | 9DCD□ - 90 - 30 | |
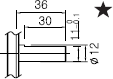
| 출력축 구분 | ![]() |
![]() |
* 상기 표는 출력축의 사양으로써 주문에 의해 제조되며 ★표시는 공장출하시 기본사양입니다.