당사는 회원님께 최대한으로 최적화되고 맞춤화된 서비스를 제공하기 위하여 다음과 같은 목적으로 개인정보를 수집하고 있습니다.
단, 이용자의 기본적 인권 침해의 우려가 있는 민감한 개인정보(인종 및 민족, 사상 및 신조, 출신지 및 본적지, 정치적 성향 및 범죄기록, 건강상태 및 성생활 등)는 수집하지 않습니다.
귀하의 개인정보는 다음과 같이 개인정보의 수집목적 또는 제공받은 목적이 달성되면 파기됩니다. 단, 상법 등 관련법령의 규정에 의하여 다음과 같이 거래 관련 권리 의무 관계의 확인 등을 이유로 일정기간 보유하여야 할 필요가 있을 경우에는 일정기간 보유합니다.
귀하의 동의를 받아 보유하고 있는 거래정보 등을 귀하께서 열람을 요구하는 경우 당사는 지체없이 열람, 확인할 수 있도록 조치합니다.
홈 - 제품소개 - 모터 - 소형 모터 - DKM소형모터 생산품




| Model | 출력 | 전압 | 주파수 | 기동 Torque | ||||
|---|---|---|---|---|---|---|---|---|
| 7IDG□-6G : 치절 SHAFT 7IDS□-6 : 둥근(丸) SHAFT |
||||||||
| LEAD선 Type | 단자 Box Type | HP | W | VAC | Hz | gfcm | nM.m | oz-in |
| 7IDG(S)1-6G | - | 1/125 | 6 | 단상 110 | 60 | 400 | 40 | 5.6 |
| - | 단상 115 | 60 | ||||||
| - | 단상 220 | 50 | 400 | 40 | 5.6 | |||
| 7IDG(S)2-6G | - | 단상 220 | 60 | |||||
| - | 단상 230 | 50 | ||||||
| - | 단상 230 | 60 | ||||||
| Model | 정격 Torque | 정격회전속도 | 콘덴서 용량 | 전류 | ||||
| 7IDG□-6G : 치절 SHAFT 7IDS□-6 : 둥근(丸) SHAFT |
||||||||
| LEAD선 Type | 단자 Box Type | gfcm | nM.m | oz-in | r/min | ㎌ | VAC | A |
| 7IDG(S)1-6G | - | 400 | 40 | 5.8 | 1550 | 2.5 | 250 | 0.25 |
| - | ||||||||
| - | 490 | 49 | 6.9 | 1350 | 0.7 | 400 | 0.15 | |
| 7IDG(S)2-6G | - | 400 | 40 | 5.8 | 1550 | |||
| - | 490 | 49 | 6.9 | 1350 | ||||
| - | 400 | 40 | 5.8 | 1550 | ||||

60Hz
| 품명 | 회전속도(rpm) | 600 | 500 | 360 | 300 | 240 | 200 | 144 | 120 | 100 | 72 | 60 |
|---|---|---|---|---|---|---|---|---|---|---|---|---|
| Motor/Gearhead | 감속비 | 3 | 3.6 | 5 | 6 | 7.5 | 9 | 12.5 | 15 | 18 | 25 | 30 |
| 7IDG□-6G / 7GBD□BMH |
kgf.cm | 1.0 | 1.2 | 1.7 | 2.0 | 2.5 | 3.0 | 4.2 | 5.1 | 6.1 | 7.5 | 9.1 |
| N.m | 0.10 | 0.12 | 0.17 | 0.20 | 0.25 | 0.30 | 0.42 | 0.50 | 0.60 | 0.75 | 0.89 | |
| lb-in | 0.88 | 1.06 | 1.50 | 1.77 | 2.2 | 2.6 | 3.7 | 4.4 | 5.3 | 6.6 | 7.9 |
| 품명 | 회전속도(rpm) | 50 | 45 | 36 | 30 | 24 | 20 | 18 | 15 | 12 | 10 |
|---|---|---|---|---|---|---|---|---|---|---|---|
| Motor/Gearhead | 감속비 | 36 | 40 | 50 | 60 | 75 | 90 | 100 | 120 | 150 | 180 |
| 7IDG□-6G / 7GBD□BMH |
kgf.cm | 11 | 12.5 | 14 | 16 | 20 | 24 | 27 | 30 | 30 | 30 |
| N.m | 1.1 | 1.2 | 1.4 | 1.6 | 2.0 | 2.4 | 2.7 | 3 | 3 | 3 | |
| lb-in | 9.7 | 10.6 | 12.4 | 14 | 18 | 21 | 24 | 26 | 26 | 26 |
50Hz
| 품명 | 회전속도(rpm) | 500 | 416 | 300 | 250 | 200 | 166 | 120 | 100 | 83 | 60 | 50 |
|---|---|---|---|---|---|---|---|---|---|---|---|---|
| Motor/Gearhead | 감속비 | 3 | 3.6 | 5 | 6 | 7.5 | 9 | 12.5 | 15 | 18 | 25 | 30 |
| 7IDG□-6G / 7GBD□BMH |
kgf.cm | 1.2 | 1.4 | 2.0 | 2.4 | 3.0 | 3.6 | 5.1 | 6.1 | 7.1 | 8.9 | 11 |
| N.m | 0.12 | 0.14 | 0.20 | 0.24 | 0.30 | 0.36 | 0.51 | 0.60 | 0.71 | 0.89 | 1.1 | |
| lb-in | 1.06 | 1.24 | 1.77 | 2.1 | 2.6 | 3.2 | 4.4 | 5.3 | 6.3 | 7.9 | 9.7 |
| 품명 | 회전속도(rpm) | 41 | 38 | 30 | 25 | 20 | 16 | 15 | 12.5 | 10 | 8.3 |
|---|---|---|---|---|---|---|---|---|---|---|---|
| Motor/Gearhead | 감속비 | 36 | 40 | 50 | 60 | 75 | 90 | 100 | 120 | 150 | 180 |
| 7IDG□-6G / 7GBD□BMH |
kgf.cm | 13 | 15 | 16 | 19 | 24 | 29 | 30 | 30 | 30 | 30 |
| N.m | 1.3 | 1.5 | 1.6 | 1.9 | 2.4 | 2.9 | 3 | 3 | 3 | 3 | |
| lb-in | 11 | 13 | 14 | 17 | 21 | 26 | 26 | 26 | 26 | 26 |


| Size(mm) | Gear Ratio |
|---|---|
| 32 | 7GB□ 3BMH - 7GB□ 18BMH |
| 42 | 7GB□ 25BMH - 7GB□ 180BMH |
| Part | Weight (kg) | |
|---|---|---|
| Motor | 0.84 | |
| Gearhead | 7GB□ 3BMH - 7GB□ 18BMH | 0.36 |
| 7GB□ 25BMH - 7GB□ 30BMH | 0.44 | |
| 7GB□ 36BMH - 7GB□ 180BMH | 0.5 | |
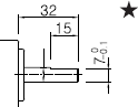
| Model | D-Cut Type | Key Type |
|---|---|---|
| 7GBD3BMH - 7GBD18BMH | 7GBK3BMH - 7GBK18BMH | |
| 출력축 구분 | ![]() |
![]() |
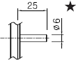
| Model | Gear Type | Round Type | D-Cut Type |
|---|---|---|---|
| 7IDG□ - 6G | 7IDS□ - 6 | 7IDD□ - 6 | |
| 출력축 구분 | ![]() |
![]() |
![]() |
* 상기 표는 출력축의 사양으로써 주문에 의해 제조되며 ★표시는 공장출하시 기본사양입니다.

| 4선식 | 3선식 | ||
|---|---|---|---|
| 단상 (시계방향) | 단상 (반시계방향) | 단상 (시계, 반시계방향) | 삼상 (시계, 반시계방향) |
![]() |
![]() |
|
없음 |