당사는 회원님께 최대한으로 최적화되고 맞춤화된 서비스를 제공하기 위하여 다음과 같은 목적으로 개인정보를 수집하고 있습니다.
단, 이용자의 기본적 인권 침해의 우려가 있는 민감한 개인정보(인종 및 민족, 사상 및 신조, 출신지 및 본적지, 정치적 성향 및 범죄기록, 건강상태 및 성생활 등)는 수집하지 않습니다.
귀하의 개인정보는 다음과 같이 개인정보의 수집목적 또는 제공받은 목적이 달성되면 파기됩니다. 단, 상법 등 관련법령의 규정에 의하여 다음과 같이 거래 관련 권리 의무 관계의 확인 등을 이유로 일정기간 보유하여야 할 필요가 있을 경우에는 일정기간 보유합니다.
귀하의 동의를 받아 보유하고 있는 거래정보 등을 귀하께서 열람을 요구하는 경우 당사는 지체없이 열람, 확인할 수 있도록 조치합니다.
홈 - 제품소개 - 모터 - 소형 모터 - DKM소형모터 생산품




| Model | 출력 | 전압 | 주파수 | 기동 Torque | ||||
|---|---|---|---|---|---|---|---|---|
| 9IDD□-90F-A : D-CUT SHAFT | ||||||||
| LEAD선 Type | 단자 Box Type | HP | W | VAC | Hz | gfcm | nM,m | oz-in |
| 9IDD1-90F-A | 9IDD1-90F-A-T | 1/8 | 90 | 단상 110 | 60 | 2200 | 220 | 31 |
| 9IDDB-90F-A-T | 단상 115 | 60 | ||||||
| 9IDDC-90F-A-T | 단상 220 | 50 | 2200 | 220 | 31 | |||
| 9IDD2-90F-A | 9IDD2-90F-A-T | 단상 220 | 60 | |||||
| 9IDDE-90F-A-T | 단상 230 | 50 | ||||||
| 9IDDF-90F-A-T | 단상 230 | 60 | ||||||
| 9IDDG-90F-A-T | 삼상 220 | 50 | 2700 | 270 | 38 | |||
| 9IDD3-90F-A | 9IDD3-90F-A-T | 삼상 220 | 60 | |||||
| 9IDDI-90F-A-T | 삼상 230 | 50 | ||||||
| 9IDDJ-90F-A-T | 삼상 230 | 60 | ||||||
| 9IDDK-90F-A-T | 삼상 380 | 50 | 2700 | 270 | 38 | |||
| 9IDD4-90F-A | 9IDD4-90F-A-T | 삼상 380 | 60 | |||||
| 9IDDM-90F-A-T | 삼상 400 | 50 | 2700 | 270 | 38 | |||
| 9IDDN-90F-A-T | 삼상 440 | 50 | ||||||
| 9IDD5-90F-A | 9IDD5-90F-A-T | 삼상 440 | 60 | |||||
| Model | 콘덴서 용량 | 정격회전속도 | 전류 | 정격 Torque | ||||
| 9IDD□-90F-A : D-CUT SHAFT | ||||||||
| LEAD선 Type | 단자 Box Type | ㎌ | VAC | r/min | A | gfcm | nM,m | oz-in |
| 9IDD1-90F-A | 9IDD1-90F-A-T | 25 | 250 | 3200 | 2.00 | 2800 | 280 | 40 |
| 9IDDB-90F-A-T | ||||||||
| 9IDDC-90F-A-T | 6.0 | 400 | 2600 | 1.00 | 3420 | 342 | 48 | |
| 9IDD2-90F-A | 9IDD2-90F-A-T | 3200 | 2850 | 285 | 40 | |||
| 9IDDE-90F-A-T | 2600 | 3420 | 342 | 48 | ||||
| 9IDDF-90F-A-T | 3200 | 2850 | 285 | 40 | ||||
| 9IDDG-90F-A-T | - | - | 2600 | 0.90 | 3420 | 342 | 48 | |
| 9IDD3-90F-A | 9IDD3-90F-A-T | 3200 | 2850 | 285 | 40 | |||
| 9IDDI-90F-A-T | 2600 | 3420 | 342 | 48 | ||||
| 9IDDJ-90F-A-T | 3200 | 2850 | 285 | 40 | ||||
| 9IDDK-90F-A-T | - | - | 2600 | 0.5 | 3420 | 342 | 48 | |
| 9IDD4-90F-A | 9IDD4-90F-A-T | 3200 | 2850 | 285 | 40 | |||
| 9IDDM-90F-A-T | - | - | 2600 | 0.4 | 3420 | 342 | 48 | |
| 9IDDN-90F-A-T | 2600 | 2850 | 285 | 40 | ||||
| 9IDD5-90F-A | 9IDD5-90F-A-T | 3200 | 3420 | 342 | 48 | |||


| Part | Weight (kg) |
|---|---|
| Motor | 2.6 |
| Model | Round Type | D-Cut Type | Key Type |
|---|---|---|---|
| 9IDS□ - 60□ - A | 9IDD□ - 60□ - A | 9IDK□ - 60□ - A | |
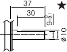
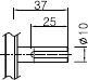
| 출력축 구분 | ![]() |
![]() |
![]() |
* 상기 표는 출력축의 사양으로써 주문에 의해 제조되며 ★표시는 공장출하시 기본사양입니다.

| 4선식 | 3선식 | ||
|---|---|---|---|
| 단상 (시계방향) | 단상 (반시계방향) | 단상 (시계, 반시계방향) | 삼상 (시계, 반시계방향) |
![]() |
![]() |
|
|