당사는 회원님께 최대한으로 최적화되고 맞춤화된 서비스를 제공하기 위하여 다음과 같은 목적으로 개인정보를 수집하고 있습니다.
단, 이용자의 기본적 인권 침해의 우려가 있는 민감한 개인정보(인종 및 민족, 사상 및 신조, 출신지 및 본적지, 정치적 성향 및 범죄기록, 건강상태 및 성생활 등)는 수집하지 않습니다.
귀하의 개인정보는 다음과 같이 개인정보의 수집목적 또는 제공받은 목적이 달성되면 파기됩니다. 단, 상법 등 관련법령의 규정에 의하여 다음과 같이 거래 관련 권리 의무 관계의 확인 등을 이유로 일정기간 보유하여야 할 필요가 있을 경우에는 일정기간 보유합니다.
귀하의 동의를 받아 보유하고 있는 거래정보 등을 귀하께서 열람을 요구하는 경우 당사는 지체없이 열람, 확인할 수 있도록 조치합니다.
홈 - 제품소개 - 모터 - 소형 모터 - DKM소형모터 생산품




| Model | 출력 | 전압 | 주파수 | 기동 Torque | ||||
|---|---|---|---|---|---|---|---|---|
| 8IDS□-25-A : 둥근(丸) SHAFT | ||||||||
| LEAD선 Type | 단자 Box Type | HP | W | VAC | Hz | gfcm | nM,m | oz-in |
| 8IDS1-25-A | 8IDS1-25-A-T | 1/30 | 25 | 단상 110 | 60 | 600 | 60 | 8 |
| 8IDSB-25-A-T | 단상 115 | 60 | ||||||
| 8IDSC-25-A-T | 단상 220 | 50 | 600 | 60 | 8 | |||
| 8IDS2-25-A | 8IDS2-25-A-T | 단상 220 | 60 | |||||
| 8IDSE-25-A-T | 단상 230 | 50 | ||||||
| 8IDSF-25-A-T | 단상 230 | 60 | ||||||
| 8IDSG-25-A-T | 삼상 220 | 50 | 700 | 70 | 10 | |||
| 8IDS3-25-A | 8IDS3-25-A-T | 삼상 220 | 60 | |||||
| 8IDSI-25-A-T | 삼상 230 | 50 | ||||||
| 8IDSJ-25-A-T | 삼상 230 | 60 | ||||||
| Model | 콘덴서 용량 | 정격회전속도 | 전류 | 정격 Torque | ||||
| 8IDS□-25-A : 둥근(丸) SHAFT | ||||||||
| LEAD선 Type | 단자 Box Type | ㎌ | VAC | r/min | A | gfcm | nM,m | oz-in |
| 8IDS1-25-A | 8IDS1-25-A-T | 10 | 250 | 3200 | 0.5 | 900 | 90 | 13 |
| 8IDSB-25-A-T | ||||||||
| 8IDSC-25-A-T | 2.5 | 400 | 2600 | 0.3 | 1000 | 100 | 14 | |
| 8IDS2-25-A | 8IDS2-25-A-T | 3200 | 900 | 90 | 13 | |||
| 8IDSE-25-A-T | 2600 | 1000 | 100 | 14 | ||||
| 8IDSF-25-A-T | 3200 | 900 | 90 | 13 | ||||
| 8IDSG-25-A-T | - | - | 2600 | 0.3 | 1000 | 100 | 14 | |
| 8IDS3-25-A | 8IDS3-25-A-T | 3200 | ||||||
| 8IDSI-25-A-T | 2600 | |||||||
| 8IDSJ-25-A-T | 3200 | |||||||


| Part | Weight (kg) |
|---|---|
| Motor | 1.6 |
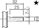
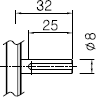
| Model | Round Type | D-Cut Type | Key Type |
|---|---|---|---|
| 8IDS□ - 25 - A | 8IDD□ - 25 - A | 8IDK□ - 25 - A | |
| 출력축 구분 | ![]() |
![]() |
![]() |
* 상기 표는 출력축의 사양으로써 주문에 의해 제조되며 ★표시는 공장출하시 기본사양입니다.

| 4선식 | 3선식 | ||
|---|---|---|---|
| 단상 (시계방향) | 단상 (반시계방향) | 단상 (시계, 반시계방향) | 삼상 (시계, 반시계방향) |
![]() |
![]() |
|
|