당사는 회원님께 최대한으로 최적화되고 맞춤화된 서비스를 제공하기 위하여 다음과 같은 목적으로 개인정보를 수집하고 있습니다.
단, 이용자의 기본적 인권 침해의 우려가 있는 민감한 개인정보(인종 및 민족, 사상 및 신조, 출신지 및 본적지, 정치적 성향 및 범죄기록, 건강상태 및 성생활 등)는 수집하지 않습니다.
귀하의 개인정보는 다음과 같이 개인정보의 수집목적 또는 제공받은 목적이 달성되면 파기됩니다. 단, 상법 등 관련법령의 규정에 의하여 다음과 같이 거래 관련 권리 의무 관계의 확인 등을 이유로 일정기간 보유하여야 할 필요가 있을 경우에는 일정기간 보유합니다.
귀하의 동의를 받아 보유하고 있는 거래정보 등을 귀하께서 열람을 요구하는 경우 당사는 지체없이 열람, 확인할 수 있도록 조치합니다.
홈 - 제품소개 - 모터 - 소형 모터 - DKM소형모터 생산품




| Model | 출력 | 전압 | 주파수 | 속도가변범위 | 기동 Torque | |||||
|---|---|---|---|---|---|---|---|---|---|---|
| 9SDG□-120F(F2)P(H) : 치절 SHAFT 9SDS□-120F(F2) : D-CUT SHAFT |
||||||||||
| LEAD선 Type | 단자 Box Type | HP | W | VAC | Hz | rpm | gfcm | nM,m | oz-in | |
| 9SDG(D)1-120FP(H) | 9SDG(D)1-120FP(H)-T | 1/6 | 120 | 단상 110 | 60 | 90~1700 | 5400 | 540 | 75.6 | |
| 9SDG(D)B-120FP(H)-T | 단상 115 | 60 | ||||||||
| 9SDG(D)C-120FP(H)-T | 단상 220 | 50 | 90~1400 | 5400 | 540 | 75.6 | ||||
| 9SDG(D)2-120FP(H) | 9SDG(D)2-120FP(H)-T | 단상 220 | 60 | 90~1700 | ||||||
| 9SDG(D)E-120FP(H)-T | 단상 230 | 50 | 90~1400 | |||||||
| 9SDG(D)F-120FP(H)-T | 단상 230 | 60 | 90~1700 | |||||||
| Model | 허용 Torque | 전류 | 콘덴서 | |||||||
| 9SDG□-120F(F2)P(H) : 치절 SHAFT 9SDS□-120F(F2) : D-CUT SHAFT |
1200rpm | 900rpm | ||||||||
| LEAD선 Type | 단자 Box Type | gfcm | nM,m | oz-in | gfcm | nM,m | oz-in | A | ㎌ | V |
| 9SDG(D)1-120FP(H) | 9SDG(D)1-120FP(H)-T | 7200 | 720 | 100.8 | 2400 | 240 | 33.6 | 2.50 | 25.0 | 250 |
| 9SDG(D)B-120FP(H)-T | ||||||||||
| 9SDG(D)C-120FP(H)-T | 7200 | 720 | 100.8 | 2800 | 280 | 39.2 | 1.20 | 6.0 | 400 | |
| 9SDG(D)2-120FP(H) | 9SDG(D)2-120FP(H)-T | 7000 | 700 | 98.0 | 3000 | 300 | 42.0 | |||
| 9SDG(D)E-120FP(H)-T | 7200 | 720 | 100.8 | 2800 | 280 | 39.2 | ||||
| 9SDG(D)F-120FP(H)-T | 7000 | 700 | 98.0 | 3000 | 300 | 42.0 | ||||



| Motor/Gearhead | rpm/전압(V) | 감속비 | 2 | 3 | 3.6 | 5 | 6 | 7.5 | 9 | 12.5 | 15 | 18 | 20 | 25 | |
|---|---|---|---|---|---|---|---|---|---|---|---|---|---|---|---|
| 9SDG□-120FP / 9PB(F)K□BH | 1200rpm | kgf.cm | 15 | 19 | 23 | 31 | 38 | 47 | 56 | 71 | 84 | 101 | 110 | 126 | |
| N.m | 1.5 | 1.9 | 2.3 | 3.1 | 3.8 | 4.7 | 5.6 | 7.1 | 8.4 | 10.1 | 11 | 12.6 | |||
| lb-in | 13.2 | 16.8 | 20.3 | 27 | 34 | 42 | 49 | 63 | 74 | 89 | 97 | 111 | |||
| 90rpm | 110/115 60Hz |
kgf.cm | 4.1 | 5.1 | 6.4 | 8.4 | 11 | 13 | 16 | 19 | 24 | 27 | 30 | 35 | |
| N.m | 0.41 | 0.51 | 0.64 | 0.84 | 1.06 | 1.27 | 1.57 | 1.9 | 2.4 | 2.7 | 3.0 | 3.5 | |||
| lb-in | 3.6 | 4.5 | 5.7 | 7.4 | 9.4 | 11.2 | 14 | 17 | 21 | 24 | 26 | 31 | |||
| 220/230 60Hz |
kgf.cm | 5.3 | 6.7 | 8.3 | 11 | 14 | 17 | 20 | 26 | 29 | 35 | 39 | 45 | ||
| N.m | 0.53 | 0.67 | 0.83 | 1.15 | 1.41 | 1.69 | 2.02 | 2.6 | 2.9 | 3.5 | 3.9 | 4.5 | |||
| lb-in | 4.64 | 5.87 | 7.31 | 10.1 | 12.4 | 14.9 | 17.8 | 23 | 26 | 31 | 34 | 40 | |||
| 220/230 50Hz |
kgf.cm | 4.7 | 5.9 | 7.4 | 10 | 12 | 15 | 18 | 22 | 26 | 31 | 34 | 40 | ||
| N.m | 0.47 | 0.59 | 0.74 | 0.96 | 1.18 | 1.5 | 1.79 | 2.2 | 2.6 | 3.1 | 3.4 | 4.0 | |||
| lb-in | 4.11 | 4.20 | 6.50 | 8.5 | 10.4 | 13.3 | 16 | 19 | 23 | 28 | 30 | 36 | |||
| Motor/Gearhead | rpm/전압(V) | 감속비 | 30 | 36 | 40 | 50 | 60 | 75 | 90 | 100 | 120 | 150 | 180 | ||
| 9SDG□-120FP / 9PB(F)K□BH | 1200rpm | kgf.cm | 152 | 182 | 200 | 200 | 200 | 200 | 200 | 200 | 200 | 200 | 200 | ||
| N.m | 15.2 | 18.2 | 20 | 20 | 20 | 20 | 20 | 20 | 20 | 20 | 20 | ||||
| lb-in | 134 | 161 | 177 | 177 | 177 | 177 | 177 | 177 | 177 | 177 | 177 | ||||
| 90rpm | 110/115 60Hz |
kgf.cm | 43 | 51 | 56 | 66 | 80 | 90 | 106 | 118 | 142 | 178 | 200 | ||
| N.m | 4.3 | 5.1 | 5.6 | 6.6 | 8 | 9 | 11 | 12 | 14 | 18 | 20 | ||||
| lb-in | 38 | 45 | 49 | 58 | 71 | 79 | 94 | 104 | 125 | 157 | 177 | ||||
| 220/230 60Hz |
kgf.cm | 53 | 66 | 72 | 86 | 104 | 116 | 138 | 154 | 184 | 200 | 200 | |||
| N.m | 5.3 | 6.6 | 7.2 | 8.6 | 10.4 | 11.6 | 13.8 | 15.4 | 18.4 | 20 | 20 | ||||
| lb-in | 47 | 58 | 64 | 76 | 92 | 102 | 122 | 136 | 162 | 177 | 177 | ||||
| 220/230 50Hz |
kgf.cm | 49 | 58 | 64 | 76 | 92 | 102 | 122 | 136 | 164 | 200 | 200 | |||
| N.m | 4.9 | 5.8 | 6.4 | 7.6 | 9.2 | 10 | 12 | 14 | 16 | 20 | 20 | ||||
| lb-in | 43 | 51 | 57 | 67 | 81 | 90 | 108 | 120 | 145 | 177 | 177 | ||||
| Motor/Gearhead | rpm/전압(V) | 감속비 | 2 | 3 | 3.6 | 5 | 6 | 7.5 | 9 | 12.5 | 15 | 18 | 20 | 25 | |
|---|---|---|---|---|---|---|---|---|---|---|---|---|---|---|---|
| 9SDG□-120FH / 9HBK□BH | 1200rpm | kgf.cm | - | 21 | 25 | - | 42 | - | 62 | 78 | 92 | 111 | - | 139 | |
| N.m | - | 2.1 | 2.5 | - | 4.2 | - | 6.2 | 7.8 | 9.2 | 11.1 | - | 13.9 | |||
| lb-in | - | 18.5 | 22.3 | - | 37 | - | 54 | 69 | 82 | 98 | - | 122 | |||
| 90rpm | 110/115 60Hz |
kgf.cm | - | 5.1 | 6.4 | - | 11 | - | 16 | 19 | 24 | 27 | - | 35 | |
| N.m | - | 0.51 | 0.64 | - | 1.06 | - | 1.57 | 1.9 | 2.4 | 2.7 | - | 3.5 | |||
| lb-in | - | 4.5 | 5.7 | - | 9.4 | - | 14 | 17 | 21 | 24 | - | 31 | |||
| 220/230 60Hz |
kgf.cm | - | 6.7 | 8.3 | - | 14 | - | 20 | 26 | 29 | 35 | - | 45 | ||
| N.m | - | 0.67 | 0.83 | - | 1.41 | - | 2.02 | 2.6 | 2.9 | 3.5 | - | 4.5 | |||
| lb-in | - | 8.57 | 7.31 | - | 12.4 | - | 17.8 | 23 | 26 | 31 | - | 40 | |||
| 220/230 50Hz |
kgf.cm | - | 5.9 | 7.4 | - | 12 | - | 18 | 22 | 26 | 31 | - | 40 | ||
| N.m | - | 0.59 | 0.74 | - | 1.18 | - | 1.79 | 2.2 | 2.6 | 3.1 | - | 4.0 | |||
| lb-in | - | 5.20 | 6.50 | - | 10.4 | - | 16 | 19 | 23 | 28 | - | 36 | |||
| Motor/Gearhead | rpm/전압(V) | 감속비 | 30 | 36 | 40 | 50 | 60 | 75 | 90 | 100 | 120 | 150 | 180 | ||
| 9SDG□-120FH / 9HBK□BH | 1200rpm | kgf.cm | 167 | 200 | - | 260 | 300 | 300 | 300 | 300 | 300 | 300 | 300 | ||
| N.m | 16.7 | 20.0 | - | 26 | 30 | 30 | 30 | 30 | 30 | 30 | 30 | ||||
| lb-in | 148 | 177 | - | 230 | 265 | 265 | 265 | 265 | 265 | 265 | 265 | ||||
| 90rpm | 110/115 60Hz |
kgf.cm | 43 | 51 | - | 66 | 80 | 90 | 110 | 120 | 140 | 180 | 240 | ||
| N.m | 4.3 | 5.1 | - | 6.6 | 8.0 | 9.0 | 11 | 12 | 14 | 18 | 24 | ||||
| lb-in | 38 | 45 | - | 58 | 71 | 79 | 97 | 106 | 124 | 159 | 212 | ||||
| 220/230 60Hz |
kgf.cm | 53 | 66 | - | 86 | 104 | 116 | 138 | 154 | 184 | 250 | 300 | |||
| N.m | 5.3 | 6.6 | - | 8.6 | 10.4 | 11.6 | 13.8 | 15.4 | 18.4 | 25 | 30 | ||||
| lb-in | 47 | 58 | - | 76 | 92 | 102 | 122 | 136 | 162 | 221 | 265 | ||||
| 220/230 50Hz |
kgf.cm | 49 | 58 | - | 76 | 92 | 100 | 120 | 140 | 160 | 240 | 280 | |||
| N.m | 4.9 | 5.8 | - | 7.6 | 9.2 | 10 | 12 | 14 | 16 | 24 | 28 | ||||
| lb-in | 43 | 51 | - | 67 | 81 | 88 | 106 | 124 | 141 | 212 | 247 | ||||


| Motor | Gearhead |
|---|---|
![]() |
![]() |
| Size(mm) | Gearhead Type |
|---|---|
| 65 - Ø15 | P Type Gearhead |
| 85 - Ø18 | H Type Gearhead |
| Part | Weight (kg) | ||
|---|---|---|---|
| Motor | 3.0 | ||
| Decimal Gearhead | 0.5 | ||
| Gearhead | Gearhead Type | P Type | H Type |
| 9P(H)□□ 3BH - 9P(H)□□ 9BH | 1.3 | 1.45 | |
| 9P(H)□□ 12.5BH - 9P(H)□□ 18BH | 1.3 | 1.5 | |
| 9P(H)□□ 25BH - 9P(H)□□ 60BH | 1.4 | 1.7 | |
| 9P(H)□□ 90BH - 9P(H)□□ 180BH | 1.4 | 1.8 | |
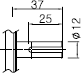
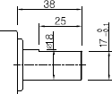
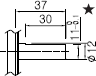
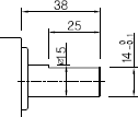
| Model | Round Type | D-Cut Type | Key Type |
|---|---|---|---|
| 9P(H)□S3BH - 9P(H)□S180BH | 9P(H)□D3BH - 9P(H)□D180BH | 9P(H)□K3BH - 9P(H)□K180BH | |
| P Type | ![]() |
![]() |
![]() |
| H Type | ![]() |
![]() |
![]() |
| Model | Gear Type | Round Type | D-Cut Type | Key Type |
|---|---|---|---|---|
| 9SDG□ - 120□P(H) | 9SDS□ - 120□ | 9SDD□ - 120□ | 9SDK□ - 120□ | |
| 출력축 구분 | ![]() |
![]() |
![]() |
![]() |
* 상기 표는 출력축의 사양으로써 주문에 의해 제조되며 ★표시는 공장출하시 기본사양입니다.