당사는 회원님께 최대한으로 최적화되고 맞춤화된 서비스를 제공하기 위하여 다음과 같은 목적으로 개인정보를 수집하고 있습니다.
단, 이용자의 기본적 인권 침해의 우려가 있는 민감한 개인정보(인종 및 민족, 사상 및 신조, 출신지 및 본적지, 정치적 성향 및 범죄기록, 건강상태 및 성생활 등)는 수집하지 않습니다.
귀하의 개인정보는 다음과 같이 개인정보의 수집목적 또는 제공받은 목적이 달성되면 파기됩니다. 단, 상법 등 관련법령의 규정에 의하여 다음과 같이 거래 관련 권리 의무 관계의 확인 등을 이유로 일정기간 보유하여야 할 필요가 있을 경우에는 일정기간 보유합니다.
귀하의 동의를 받아 보유하고 있는 거래정보 등을 귀하께서 열람을 요구하는 경우 당사는 지체없이 열람, 확인할 수 있도록 조치합니다.
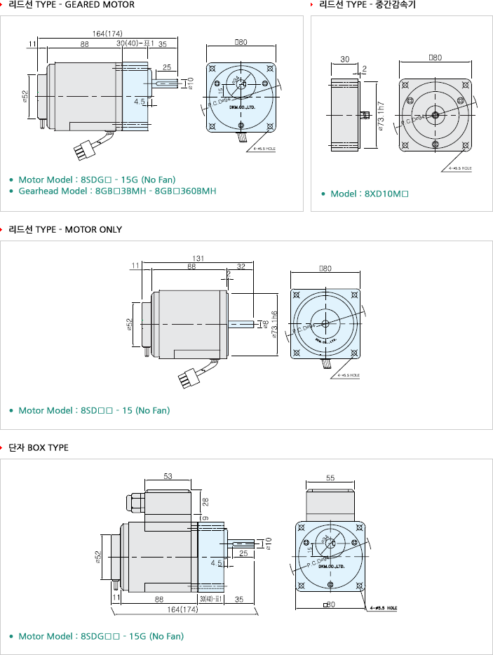
홈 - 제품소개 - 모터 - 소형 모터 - DKM소형모터 생산품




| Model | 출력 | 전압 | 주파수 | 속도가변범위 | 기동 Torque | |||||
|---|---|---|---|---|---|---|---|---|---|---|
| 8SDG□-15G : 치절 SHAFT 8SDS□-15 : 둥근(丸) SHAFT |
||||||||||
| LEAD선 Type | 단자 Box Type | HP | W | VAC | Hz | rpm | gfcm | nM,m | oz-in | |
| 8SDG(S)1-15G | 8SDG(S)1-15G-T | 1/75 | 10 | 단상 110 | 60 | 90~1700 | 550 | 55 | 7.7 | |
| 8SDG(S)B-15G | 8SDG(S)B-15G-T | 단상 115 | 60 | |||||||
| 8SDG(S)C-15G-T | 단상 220 | 50 | 90~1400 | 550 | 55 | 7.7 | ||||
| 8SDG(S)2-15G | 8SDG(S)2-15G-T | 단상 220 | 60 | 90~1700 | ||||||
| 8SDG(S)E-15G-T | 단상 230 | 50 | 90~1400 | |||||||
| 8SDG(S)F-15G-T | 단상 230 | 60 | 90~1700 | |||||||
| Model | 허용 Torque | 전류 | 콘덴서 | |||||||
| 8SDG□-15G : 치절 SHAFT 8SDS□-15 : 둥근(丸) SHAFT |
1200rpm | 900rpm | ||||||||
| LEAD선 Type | 단자 Box Type | gfcm | nM,m | oz-in | gfcm | nM,m | oz-in | A | ㎌ | V |
| 8SDG(S)1-15G | 8SDG(S)1-15G-T | 1250 | 125 | 17.5 | 450 | 45 | 6.3 | 0.42 | 3.5 | 250 |
| 8SDG(S)B-15G | 8SDG(S)B-15G-T | |||||||||
| 8SDG(S)C-15G-T | 1260 | 126 | 17.6 | 350 | 35 | 4.9 | 0.26 | 1.5 | 400 | |
| 8SDG(S)2-15G | 8SDG(S)2-15G-T | 1050 | 105 | 14.7 | ||||||
| 8SDG(S)E-15G-T | 1260 | 126 | 17.6 | |||||||
| 8SDG(S)F-15G-T | 1050 | 105 | 14.7 | |||||||



| Motor/Gearhead | rpm | 전압(V) | 감속비 | 3 | 3.6 | 5 | 6 | 7.5 | 9 | 12.5 | 15 | 18 | 25 | 30 | 36 |
|---|---|---|---|---|---|---|---|---|---|---|---|---|---|---|---|
| 8SDG□-15G / 8GBK□BMH | 1200 | 110/115 60Hz |
kgf.cm | 3.0 | 3.6 | 5.1 | 6.1 | 7.6 | 9.1 | 13 | 15 | 18 | 23 | 27 | 33 |
| N.m | 0.3 | 0.36 | 0.51 | 0.61 | 0.76 | 0.91 | 1.3 | 1.5 | 1.8 | 2.3 | 2.7 | 3.3 | |||
| lb-in | 2.6 | 3.2 | 4.5 | 5.4 | 6.7 | 8.0 | 11.5 | 13.2 | 15.9 | 20 | 24 | 29 | |||
| 220 60Hz |
kgf.cm | 2.1 | 2.5 | 3.4 | 4.1 | 5.2 | 6.2 | 8.6 | 10 | 12 | 16 | 19 | 22 | ||
| N.m | 0.21 | 0.25 | 0.34 | 0.41 | 0.52 | 0.62 | 0.86 | 1.0 | 1.2 | 1.6 | 1.9 | 2.2 | |||
| lb-in | 1.9 | 2.2 | 3.0 | 3.6 | 4.6 | 5.5 | 7.6 | 8.8 | 10.6 | 14 | 17 | 19 | |||
| 230 50Hz |
kgf.cm | 3.0 | 3.6 | 5.1 | 6.1 | 7.6 | 9.1 | 13 | 15 | 18 | 23 | 27 | 33 | ||
| N.m | 0.3 | 0.36 | 0.51 | 0.61 | 0.76 | 0.91 | 1.3 | 1.5 | 1.8 | 2.3 | 2.7 | 3.3 | |||
| lb-in | 2.6 | 3.2 | 4.5 | 5.4 | 6.7 | 8.0 | 11.5 | 13.2 | 15.9 | 20 | 24 | 29 | |||
| 230 60Hz |
kgf.cm | 2.6 | 3.1 | 4.3 | 5.1 | 6.4 | 7.7 | 11 | 13 | 15 | 19 | 23 | 28 | ||
| N.m | 0.26 | 0.31 | 0.43 | 0.51 | 0.64 | 0.77 | 1.1 | 1.3 | 1.5 | 1.9 | 2.3 | 2.8 | |||
| lb-in | 2.3 | 2.7 | 3.8 | 4.5 | 5.7 | 6.8 | 9.4 | 11.5 | 13.2 | 17 | 20 | 25 | |||
| 전압(V) | 감속비 | 40 | 50 | 60 | 75 | 90 | 100 | 120 | 150 | 180 | 250 | 300 | 360 | ||
| 110/115 60Hz |
kgf.cm | 36 | 41 | 50 | 50 | 50 | 50 | 50 | 50 | 50 | 50 | 50 | 50 | ||
| N.m | 3.6 | 4.1 | 5 | 5 | 5 | 5 | 5 | 5 | 5 | 5 | 5 | 5 | |||
| lb-in | 32 | 36 | 44 | 44 | 44 | 44 | 44 | 44 | 44 | 44 | 44 | 44 | |||
| 220 60Hz |
kgf.cm | 25 | 28 | 34 | 42 | 50 | 50 | 50 | 50 | 50 | 50 | 50 | 50 | ||
| N.m | 2.5 | 2.8 | 3.4 | 4.2 | 5 | 5 | 5 | 5 | 5 | 5 | 5 | 5 | |||
| lb-in | 22 | 25 | 30 | 37 | 44 | 44 | 44 | 44 | 44 | 44 | 44 | 44 | |||
| 230 50Hz |
kgf.cm | 36 | 41 | 50 | 50 | 50 | 50 | 50 | 50 | 50 | 50 | 50 | 50 | ||
| N.m | 3.6 | 4.1 | 5 | 5 | 5 | 5 | 5 | 5 | 5 | 5 | 5 | 5 | |||
| lb-in | 32 | 36 | 44 | 44 | 44 | 44 | 44 | 44 | 44 | 44 | 44 | 44 | |||
| 230 60Hz |
kgf.cm | 31 | 35 | 42 | 50 | 50 | 50 | 50 | 50 | 50 | 50 | 50 | 50 | ||
| N.m | 3.1 | 3.5 | 4.2 | 5 | 5 | 5 | 5 | 5 | 5 | 5 | 5 | 5 | |||
| lb-in | 27 | 31 | 37 | 44 | 44 | 44 | 44 | 44 | 44 | 44 | 44 | 44 |
| Motor/Gearhead | rpm | 전압(V) | 감속비 | 3 | 3.6 | 5 | 6 | 7.5 | 9 | 12.5 | 15 | 18 | 25 | 30 | 36 |
|---|---|---|---|---|---|---|---|---|---|---|---|---|---|---|---|
| 8SDG□-15G / 8GBK□BMH | 90 | 110/115 60Hz |
kgf.cm | 1.1 | 1.3 | 1.8 | 2.2 | 2.7 | 3.3 | 4.6 | 5.5 | 6.6 | 8.2 | 9.9 | 12 |
| N.m | 0.11 | 0.13 | 0.18 | 0.22 | 0.27 | 0.33 | 0.46 | 0.55 | 0.66 | 0.82 | 0.99 | 1.2 | |||
| lb-in | 1.0 | 1.1 | 1.6 | 1.9 | 2.4 | 2.9 | 4.1 | 4.9 | 5.8 | 7.2 | 8.7 | 10.6 | |||
| 220/230 50Hz |
kgf.cm | 0.85 | 1.0 | 1.4 | 1.7 | 2.1 | 2.6 | 3.5 | 4.3 | 5.1 | 6 | 8 | 9 | ||
| N.m | 0.09 | 0.10 | 0.14 | 0.17 | 0.21 | 0.26 | 0.35 | 0.43 | 0.51 | 0.64 | 0.77 | 0.92 | |||
| lb-in | 0.8 | 0.9 | 1.2 | 1.5 | 1.9 | 2.3 | 3.1 | 3.8 | 4.5 | 5.7 | 6.8 | 8.1 | |||
| 전압(V) | 감속비 | 40 | 50 | 60 | 75 | 90 | 100 | 120 | 150 | 180 | 250 | 300 | 360 | ||
| 110/115 60Hz |
kgf.cm | 14 | 15 | 18 | 22 | 27 | 30 | 36 | 45 | 50 | 50 | 50 | 50 | ||
| N.m | 1.4 | 1.5 | 1.8 | 2.2 | 2.7 | 3.0 | 3.6 | 4.5 | 5 | 5 | 5 | 5 | |||
| lb-in | 12.4 | 13 | 16 | 19 | 24 | 26 | 32 | 40 | 44 | 44 | 44 | 44 | |||
| 220/230 50Hz |
kgf.cm | 10 | 12 | 14 | 17 | 21 | 23 | 28 | 35 | 42 | 50 | 50 | 50 | ||
| N.m | 1.0 | 1.2 | 1.4 | 1.7 | 2.1 | 2.3 | 2.8 | 3.5 | 4.2 | 5 | 5 | 5 | |||
| lb-in | 8.8 | 11 | 12 | 15 | 19 | 20 | 25 | 31 | 37 | 44 | 44 | 44 |


| Motor | Gearhead |
|---|---|
![]() |
![]() |
| Size(mm) | Gear Ratio |
|---|---|
| 30 | 8GB□ 3BMH - 8GB□ 18BMH |
| 40 | 8GB□ 25BMH - 8GB□ 360BMH |
| Part | Weight (kg) | |
|---|---|---|
| Motor | 1.7 | |
| Decimal Gearhead | 0.44 | |
| Gearhead | 8GB□ 3BMH - 8GB□ 18BMH | 0.48 |
| 8GB□ 25BMH - 8GB□ 30BMH | 0.61 | |
| 8GB□ 36BMH - 8GB□ 180BMH | 0.67 | |
| 8GB□ 200BMH - 8GB□ 360BMH | 0.63 | |
| Model | Round Type | D-Cut Type | Key Type |
|---|---|---|---|
| 8GBS3BMH - 8GBS360BMH | 8GBD3BMH - 8GBD360BMH | 8GBK3BMH - 8GBK360BMH | |
| 출력축 구분 | ![]() |
![]() |
![]() |
| Model | Gear Type | Round Type | D-Cut Type | Key Type |
|---|---|---|---|---|
| 8SDG□ - 15G | 8SDS□ - 15 | 8SDD□ - 15 | 8SDK□ - 15 | |
| 출력축 구분 | ![]() |
![]() |
![]() |
![]() |
* 상기 표는 출력축의 사양으로써 주문에 의해 제조되며 ★표시는 공장출하시 기본사양입니다.