당사는 회원님께 최대한으로 최적화되고 맞춤화된 서비스를 제공하기 위하여 다음과 같은 목적으로 개인정보를 수집하고 있습니다.
단, 이용자의 기본적 인권 침해의 우려가 있는 민감한 개인정보(인종 및 민족, 사상 및 신조, 출신지 및 본적지, 정치적 성향 및 범죄기록, 건강상태 및 성생활 등)는 수집하지 않습니다.
귀하의 개인정보는 다음과 같이 개인정보의 수집목적 또는 제공받은 목적이 달성되면 파기됩니다. 단, 상법 등 관련법령의 규정에 의하여 다음과 같이 거래 관련 권리 의무 관계의 확인 등을 이유로 일정기간 보유하여야 할 필요가 있을 경우에는 일정기간 보유합니다.
귀하의 동의를 받아 보유하고 있는 거래정보 등을 귀하께서 열람을 요구하는 경우 당사는 지체없이 열람, 확인할 수 있도록 조치합니다.
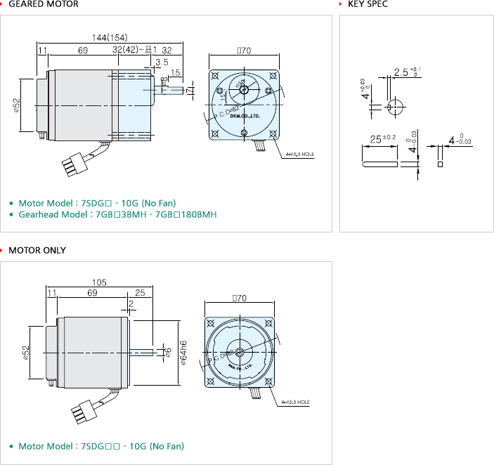
홈 - 제품소개 - 모터 - 소형 모터 - DKM소형모터 생산품




| Model | 출력 | 전압 | 주파수 | 속도가변범위 | 기동 Torque | |||||
|---|---|---|---|---|---|---|---|---|---|---|
| 7SDG□-10G : 치절 SHAFT 7SDS□-10 : 둥근(丸) SHAFT |
||||||||||
| LEAD선 Type | 단자 Box Type | HP | W | VAC | Hz | rpm | gfcm | nM,m | oz-in | |
| 7SDG(S)1-10G | - | 1/75 | 10 | 단상 110 | 60 | 90~1700 | 500 | 50 | 7.0 | |
| 7SDG(S)B-10G | - | 단상 115 | 60 | |||||||
| - | 단상 220 | 50 | 90~1400 | 500 | 50 | 7.0 | ||||
| 7SDG(S)2-10G | - | 단상 220 | 60 | 90~1700 | ||||||
| - | 단상 230 | 50 | 90~1400 | |||||||
| - | 단상 230 | 60 | 90~1700 | |||||||
| Model | 허용 Torque | 전류 | 콘덴서 | |||||||
| 7SDG□-10G : 치절 SHAFT 7SDS□-10 : 둥근(丸) SHAFT |
1200rpm | 900rpm | ||||||||
| LEAD선 Type | 단자 Box Type | gfcm | nM,m | oz-in | gfcm | nM,m | oz-in | A | ㎌ | V |
| 7SDG(S)1-10G | - | 800 | 80 | 11.2 | 380 | 38 | 5.3 | 0.30 | 3.0 | 250 |
| 7SDG(S)B-10G | - | |||||||||
| - | 800 | 80 | 11.2 | 380 | 38 | 5.3 | 1.00 | 1.0 | 400 | |
| 7SDG(S)2-10G | - | |||||||||
| - | ||||||||||
| - | ||||||||||



| Motor/Gearhead | rpm | 전압(V) | 감속비 | 3 | 3.6 | 5 | 6 | 7.5 | 9 | 12.5 | 15 | 18 | 25 | 30 |
|---|---|---|---|---|---|---|---|---|---|---|---|---|---|---|
| 7SDG□-10G / 7GBD□BMH | 1200 | 110/115 | kgf.cm | 1.5 | 1.9 | 2.5 | 3.2 | 4.0 | 4.9 | 6.7 | 8.0 | 9.7 | 13 | 16 |
| N.m | 0.15 | 0.15 | 0.25 | 0.3 | 0.4 | 0.5 | 0.7 | 0.8 | 1.0 | 1.3 | 1.6 | |||
| lb-in | 1.32 | 1.32 | 2.21 | 2.8 | 3.5 | 4.3 | 5.9 | 7.1 | 8.6 | 11.5 | 14.1 | |||
| 220/230 60Hz |
kgf.cm | 1.5 | 1.9 | 2.5 | 3.2 | 4.0 | 4.9 | 6.7 | 8.0 | 9.7 | 13 | 16 | ||
| N.m | 0.15 | 0.15 | 0.25 | 0.3 | 0.4 | 0.5 | 0.7 | 0.8 | 1.0 | 1.3 | 1.6 | |||
| lb-in | 1.32 | 1.32 | 2.21 | 2.8 | 3.5 | 4.3 | 5.9 | 7.1 | 8.6 | 11.5 | 14.1 | |||
| 220/230 50Hz |
kgf.cm | 1.8 | 2.3 | 3.0 | 3.8 | 4.8 | 5.9 | 8.0 | 9.6 | 11.6 | 15.6 | 19 | ||
| N.m | 0.18 | 0.18 | 0.30 | 0.4 | 0.5 | 0.6 | 0.8 | 1.0 | 1.2 | 1.6 | 1.9 | |||
| lb-in | 1.59 | 2.65 | 3.4 | 4.2 | 5.2 | 5.9 | 8.5 | 10.3 | 13.8 | 17.0 | 24.4 | |||
| 전압(V) | 감속비 | 36 | 40 | 50 | 60 | 75 | 90 | 100 | 120 | 150 | 180 | |||
| 110/115 | kgf.cm | 23 | 25 | 30 | 35 | 40 | 40 | 40 | 40 | 40 | 40 | |||
| N.m | 2.3 | 2.5 | 3.0 | 3.5 | 4 | 4 | 4 | 4 | 4 | 4 | ||||
| lb-in | 20.3 | 22.1 | 26 | 31 | 35 | 35 | 35 | 35 | 35 | 35 | ||||
| 220/230 60Hz |
kgf.cm | 23 | 25 | 30 | 35 | 40 | 40 | 40 | 40 | 40 | 40 | |||
| N.m | 2.3 | 2.5 | 3.0 | 3.5 | 4 | 4 | 4 | 4 | 4 | 4 | ||||
| lb-in | 20.3 | 22.1 | 26 | 31 | 35 | 35 | 35 | 35 | 35 | 35 | ||||
| 220/230 50Hz |
kgf.cm | 28 | 30 | 36 | 40 | 40 | 40 | 40 | 40 | 40 | 40 | |||
| N.m | 2.8 | 3.0 | 3.6 | 4 | 4 | 4 | 4 | 4 | 4 | 4 | ||||
| lb-in | 26.5 | 32 | 35 | 35 | 35 | 35 | 35 | 35 | 35 | 35 | ||||
| Motor/Gearhead | rpm | 전압(V) | 감속비 | 3 | 3.6 | 5 | 6 | 7.5 | 9 | 12.5 | 15 | 18 | 25 | 30 |
|---|---|---|---|---|---|---|---|---|---|---|---|---|---|---|
| 7SDG□-10G / 7GBD□BMH | 90 | 110/115 60Hz |
kgf.cm | 1.1 | 1.3 | 1.8 | 2.2 | 2.7 | 3.3 | 4.6 | 5.5 | 6.6 | 8.2 | 9.9 |
| N.m | 0.11 | 0.13 | 0.2 | 0.2 | 0.3 | 0.3 | 0.5 | 0.6 | 0.7 | 0.8 | 1.0 | |||
| lb-in | 1.0 | 1.1 | 1.6 | 1.9 | 2.4 | 2.9 | 4.1 | 4.9 | 5.8 | 7.2 | 8.7 | |||
| 220/230 | kgf.cm | 0.85 | 1.0 | 1.4 | 1.7 | 2.1 | 2.6 | 3.5 | 4.3 | 5.1 | 6 | 8 | ||
| N.m | 0.09 | 0.10 | 0.14 | 0.2 | 0.2 | 0.3 | 0.4 | 0.4 | 0.5 | 0.6 | 0.8 | |||
| lb-in | 0.8 | 0.9 | 1.2 | 1.5 | 1.9 | 2.3 | 3.1 | 3.8 | 4.5 | 5.7 | 6.8 | |||
| 전압(V) | 감속비 | 36 | 40 | 50 | 60 | 75 | 90 | 100 | 120 | 150 | 180 | |||
| 110/115 60Hz |
kgf.cm | 12 | 14 | 15 | 18 | 22 | 27 | 30 | 36 | 40 | 40 | |||
| N.m | 1.2 | 1.4 | 1.5 | 1.8 | 2.2 | 2.7 | 3.0 | 3.6 | 4 | 4 | ||||
| lb-in | 10.6 | 12.4 | 13 | 16 | 19 | 24 | 26 | 32 | 35 | 35 | ||||
| 220/230 | kgf.cm | 9 | 10 | 12 | 14 | 17 | 21 | 23 | 28 | 35 | 40 | |||
| N.m | 0.9 | 1.0 | 1.2 | 1.4 | 1.7 | 2.1 | 2.3 | 2.8 | 3.5 | 4 | ||||
| lb-in | 8.1 | 8.8 | 11 | 12 | 15 | 19 | 20 | 25 | 31 | 35 | ||||


| Size(mm) | Gear Ratio |
|---|---|
| 32 | 7GB□ 3BMH - 7GB□ 18BMH |
| 42 | 7GB□ 25BMH - 7GB□ 180BMH |
| Part | Weight (kg) | |
|---|---|---|
| Motor | 0.93 | |
| Gearhead | 7GB□ 3BMH - 7GB□ 18BMH | 0.36 |
| 7GB□ 25BMH - 7GB□ 30BMH | 0.44 | |
| 7GB□ 36BMH - 7GB□ 180BMH | 0.5 | |
| Model | D-Cut Type | Key Type |
|---|---|---|
| 7GBD3BMH - 7GBD18BMH | 7GBK3BMH - 7GBK18BMH | |
| 출력축 구분 | ![]() |
![]() |
| Model | Gear Type | Round Type | D-Cut Type |
|---|---|---|---|
| 7SDG□ - 10G | 7SDS□ - 10 | 7SDD□ - 10 | |
| 출력축 구분 | ![]() |
![]() |
![]() |
* 상기 표는 출력축의 사양으로써 주문에 의해 제조되며 ★표시는 공장출하시 기본사양입니다.