당사는 회원님께 최대한으로 최적화되고 맞춤화된 서비스를 제공하기 위하여 다음과 같은 목적으로 개인정보를 수집하고 있습니다.
단, 이용자의 기본적 인권 침해의 우려가 있는 민감한 개인정보(인종 및 민족, 사상 및 신조, 출신지 및 본적지, 정치적 성향 및 범죄기록, 건강상태 및 성생활 등)는 수집하지 않습니다.
귀하의 개인정보는 다음과 같이 개인정보의 수집목적 또는 제공받은 목적이 달성되면 파기됩니다. 단, 상법 등 관련법령의 규정에 의하여 다음과 같이 거래 관련 권리 의무 관계의 확인 등을 이유로 일정기간 보유하여야 할 필요가 있을 경우에는 일정기간 보유합니다.
귀하의 동의를 받아 보유하고 있는 거래정보 등을 귀하께서 열람을 요구하는 경우 당사는 지체없이 열람, 확인할 수 있도록 조치합니다.
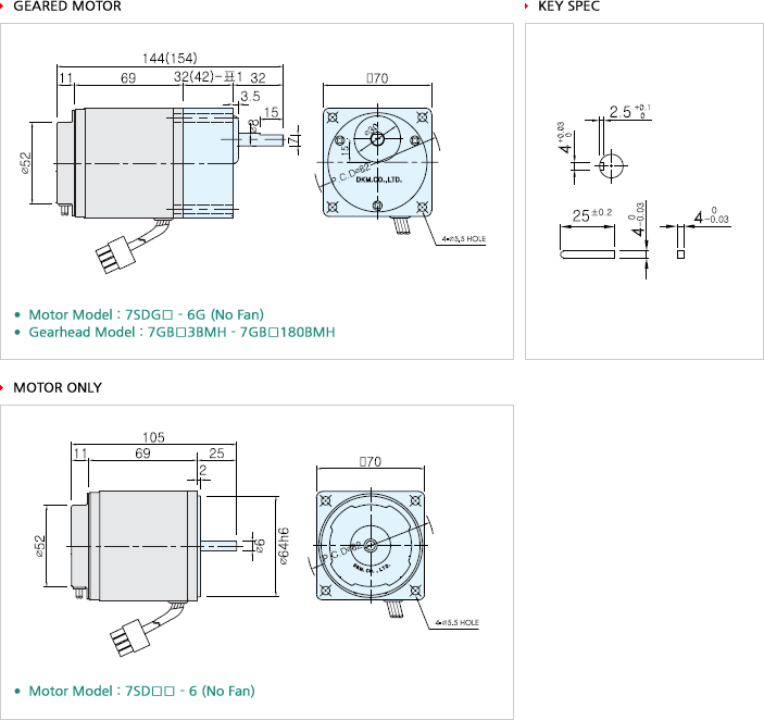
홈 - 제품소개 - 모터 - 소형 모터 - DKM소형모터 생산품




| Model | 출력 | 전압 | 주파수 | 속도가변범위 | 기동 Torque | |||||
|---|---|---|---|---|---|---|---|---|---|---|
| 7SDG□-6G : 치절 SHAFT 7SDS□-6 : 둥근(丸) SHAFT |
||||||||||
| LEAD선 Type | 단자 Box Type | HP | W | VAC | Hz | rpm | gfcm | nM,m | oz-in | |
| 7SDG(S)1-6G | - | 1/125 | 6 | 단상 110 | 60 | 90~1700 | 400 | 40 | 5.6 | |
| 7SDG(S)B-6G | - | 단상 115 | 60 | |||||||
| - | 단상 220 | 50 | 90~1400 | 400 | 40 | 5.6 | ||||
| 7SDG(S)2-6G | - | 단상 220 | 60 | 90~1700 | ||||||
| - | 단상 230 | 50 | 90~1400 | |||||||
| - | 단상 230 | 60 | 90~1700 | |||||||
| Model | 허용 Torque | 전류 | 콘덴서 | |||||||
| 7SDG□-6G : 치절 SHAFT 7SDS□-6 : 둥근(丸) SHAFT |
1200rpm | 900rpm | ||||||||
| LEAD선 Type | 단자 Box Type | gfcm | nM,m | oz-in | gfcm | nM,m | oz-in | A | ㎌ | V |
| 7SDG(S)1-6G | - | 500 | 50 | 7.0 | 300 | 30 | 4.2 | 0.25 | 2.5 | 250 |
| 7SDG(S)B-6G | - | |||||||||
| - | 500 | 50 | 7.0 | 300 | 30 | 4.2 | 0.15 | 0.7 | 400 | |
| 7SDG(S)2-6G | - | |||||||||
| - | ||||||||||
| - | ||||||||||



| Motor/Gearhead | rpm | 전압(V) | 감속비 | 3 | 3.6 | 5 | 6 | 7.5 | 9 | 12.5 | 15 | 18 | 25 | 30 |
|---|---|---|---|---|---|---|---|---|---|---|---|---|---|---|
| 7SDG□-6G / 7GBD□BMH | 1200 | 110/115 | kgf.cm | 1.2 | 1.5 | 2.0 | 2.4 | 3.0 | 3.6 | 5.1 | 6.1 | 7.3 | 9 | 11 |
| N.m | 0.12 | 0.15 | 0.20 | 0.24 | 0.30 | 0.36 | 0.51 | 0.61 | 0.73 | 0.91 | 1.1 | |||
| lb-in | 1.06 | 1.32 | 1.77 | 2.1 | 2.6 | 3.2 | 4.5 | 5.4 | 6.4 | 8.0 | 9.7 | |||
| 220/230 | kgf.cm | 1.2 | 1.5 | 2.0 | 2.4 | 3.0 | 3.6 | 5.1 | 6.1 | 7.3 | 9 | 11 | ||
| N.m | 0.12 | 0.15 | 0.20 | 0.24 | 0.30 | 0.36 | 0.51 | 0.61 | 0.73 | 0.91 | 1.1 | |||
| lb-in | 1.06 | 1.32 | 1.77 | 2.1 | 2.6 | 3.2 | 4.5 | 5.4 | 6.4 | 8.0 | 9.7 | |||
| 전압(V) | 감속비 | 36 | 40 | 50 | 60 | 75 | 90 | 100 | 120 | 150 | 180 | |||
| 110/115 | kgf.cm | 13 | 15 | 17 | 20 | 25 | 30 | 30 | 30 | 30 | 30 | |||
| N.m | 1.3 | 1.5 | 1.7 | 2.0 | 2.5 | 3 | 3 | 3 | 3 | 3 | ||||
| lb-in | 11.5 | 13.2 | 15 | 18 | 22 | 26 | 26 | 26 | 26 | 26 | ||||
| 220/230 | kgf.cm | 13 | 15 | 17 | 20 | 25 | 30 | 30 | 30 | 30 | 30 | |||
| N.m | 1.3 | 1.5 | 1.7 | 2.0 | 2.5 | 3 | 3 | 3 | 3 | 3 | ||||
| lb-in | 11.5 | 13.2 | 15 | 18 | 22 | 26 | 26 | 26 | 26 | 26 | ||||
| Motor/Gearhead | rpm | 전압(V) | 감속비 | 3 | 3.6 | 5 | 6 | 7.5 | 9 | 12.5 | 15 | 18 | 25 | 30 |
|---|---|---|---|---|---|---|---|---|---|---|---|---|---|---|
| 7SDG□-6G / 7GBD□BMH | 90 | 110/115 | kgf.cm | 0.7 | 0.8 | 1.2 | 1.4 | 1.8 | 2.1 | 3 | 3.5 | 4.2 | 5.5 | 6.4 |
| N.m | 0.07 | 0.08 | 0.12 | 0.14 | 0.18 | 0.21 | 0.30 | 0.35 | 0.42 | 0.55 | 0.64 | |||
| lb-in | 0.62 | 0.72 | 1.1 | 1.2 | 1.6 | 1.9 | 2.6 | 3.1 | 3.7 | 4.9 | 5.7 | |||
| 220/230 | kgf.cm | 0.7 | 0.8 | 1.2 | 1.4 | 1.8 | 2.1 | 3 | 3.5 | 4.2 | 5.5 | 6.4 | ||
| N.m | 0.07 | 0.08 | 0.12 | 0.14 | 0.18 | 0.21 | 0.30 | 0.35 | 0.42 | 0.55 | 0.64 | |||
| lb-in | 0.62 | 0.72 | 1.1 | 1.2 | 1.6 | 1.9 | 2.6 | 3.1 | 3.7 | 4.9 | 5.7 | |||
| 전압(V) | 감속비 | 36 | 40 | 50 | 60 | 75 | 90 | 100 | 120 | 150 | 180 | |||
| 110/115 | kgf.cm | 7.6 | 8.5 | 10 | 11 | 15 | 17 | 20 | 23 | 30 | 30 | |||
| N.m | 0.76 | 0.85 | 0.99 | 1.1 | 1.5 | 1.7 | 2.0 | 2.3 | 3 | 3 | ||||
| lb-in | 6.7 | 7.5 | 9 | 10 | 13 | 15 | 18 | 20 | 26 | 26 | ||||
| 220/230 | kgf.cm | 7.6 | 8.5 | 10 | 11 | 15 | 17 | 20 | 23 | 30 | 30 | |||
| N.m | 0.76 | 0.85 | 0.99 | 1.1 | 1.5 | 1.7 | 2.0 | 2.3 | 3 | 3 | ||||
| lb-in | 6.7 | 7.5 | 9 | 10 | 13 | 15 | 18 | 20 | 26 | 26 | ||||


| Size(mm) | Gear Ratio |
|---|---|
| 32 | 7GB□ 3BMH - 7GB□ 18BMH |
| 42 | 7GB□ 25BMH - 7GB□ 180BMH |
| Part | Weight (kg) | |
|---|---|---|
| Motor | 0.93 | |
| Gearhead | 7GB□ 3BMH - 7GB□ 18BMH | 0.36 |
| 7GB□ 25BMH - 7GB□ 30BMH | 0.44 | |
| 7GB□ 36BMH - 7GB□ 180BMH | 0.5 | |
| Model | D-Cut Type | Key Type |
|---|---|---|
| 7GBD3BMH - 7GBD18BMH | 7GBK3BMH - 7GBK18BMH | |
| 출력축 구분 | ![]() |
![]() |
| Model | Gear Type | Round Type | D-Cut Type |
|---|---|---|---|
| 7SDG□ - 6G | 7SDS□ - 6 | 7SDD□ - 6 | |
| 출력축 구분 | ![]() |
![]() |
![]() |
* 상기 표는 출력축의 사양으로써 주문에 의해 제조되며 ★표시는 공장출하시 기본사양입니다.