홈 - 제품소개 - 모터 - 소형 모터 - DKM소형모터 생산품




Model |
정격
시간 |
출력 |
전압 |
주파수 |
전류 |
콘덴서 용량 |
9BDG□-120P(H) : 치절 SHAFT 9BDD□-120 : D-CUT SHAFT |
LEAD선 Type |
단자 Box Type |
HP |
W |
VAC |
Hz |
A |
㎌ |
VAC |
9BDG(D)1-120P(H) |
9BDG(D)1-120P(H)-T |
30분 |
1/6 |
120 |
단상 110 |
60 |
2.0 |
30 |
250 |
9BDG(D)B-120P(H) |
9BDG(D)B-120P(H)-T |
단상 115 |
60 |
9BDG(D)C-120P(H) |
9BDG(D)C-120P(H)-T |
30분 |
단상 220 |
50 |
1.0 |
6.5 |
400 |
9BDG(D)2-120P(H) |
9BDG(D)2-120P(H)-T |
단상 220 |
60 |
9BDG(D)E-120P(H) |
9BDG(D)E-120P(H)-T |
단상 230 |
50 |
9BDG(D)F-120P(H) |
9BDG(D)F-120P(H)-T |
단상 230 |
60 |
9BDG(D)G-120P(H) |
9BDG(D)G-120P(H)-T |
30분 |
삼상 220 |
50 |
0.8 |
- |
- |
9BDG(D)3-120P(H) |
9BDG(D)3-120P(H)-T |
삼상 220 |
60 |
9BDG(D)I-120P(H) |
9BDG(D)I-120P(H)-T |
삼상 230 |
50 |
9BDG(D)J-120P(H) |
9BDG(D)J-120P(H)-T |
삼상 230 |
60 |
9BDG(D)K-120P(H) |
9BDG(D)K-120P(H)-T |
30분 |
삼상 380 |
50 |
0.55 |
- |
- |
9BDG(D)4-120P(H) |
9BDG(D)4-120P(H)-T |
삼상 380 |
60 |
9BDG(D)M-120P(H) |
9BDG(D)M-120P(H)-T |
30분 |
삼상 440 |
50 |
0.54 |
- |
- |
9BDG(D)N-120P(H) |
9BDG(D)N-120P(H)-T |
삼상 440 |
50 |
9BDG(D)5-120P(H) |
9BDG(D)5-120P(H)-T |
삼상 440 |
60 |
Model |
기동 Torque |
정격 Torque |
정격회전속도 |
9BDG□-120P(H) : 치절 SHAFT 9BDD□-120 : D-CUT SHAFT |
LEAD선 Type |
단자 Box Type |
gfcm |
nM.m |
oz-in |
gfcm |
nM.m |
oz-in |
r/min |
9BDG(D)1-120P(H) |
9BDG(D)1-120P(H)-T |
5900 |
590 |
83 |
7600 |
760 |
108 |
1550 |
9BDG(D)B-120P(H) |
9BDG(D)B-120P(H)-T |
9BDG(D)C-120P(H) |
9BDG(D)C-120P(H)-T |
5900 |
590 |
83 |
9120 |
912 |
129 |
1300 |
9BDG(D)2-120P(H) |
9BDG(D)2-120P(H)-T |
7600 |
760 |
109 |
1550 |
9BDG(D)E-120P(H) |
9BDG(D)E-120P(H)-T |
9120 |
912 |
129 |
1300 |
9BDG(D)F-120P(H) |
9BDG(D)F-120P(H)-T |
7600 |
760 |
109 |
1550 |
9BDG(D)G-120P(H) |
9BDG(D)G-120P(H)-T |
9300 |
930 |
132 |
9120 |
912 |
129 |
1300 |
9BDG(D)3-120P(H) |
9BDG(D)3-120P(H)-T |
7600 |
760 |
109 |
1550 |
9BDG(D)I-120P(H) |
9BDG(D)I-120P(H)-T |
9120 |
912 |
129 |
1300 |
9BDG(D)J-120P(H) |
9BDG(D)J-120P(H)-T |
7600 |
760 |
109 |
1550 |
9BDG(D)K-120P(H) |
9BDG(D)K-120P(H)-T |
9300 |
930 |
132 |
9120 |
912 |
129 |
1300 |
9BDG(D)4-120P(H) |
9BDG(D)4-120P(H)-T |
7600 |
760 |
109 |
1550 |
9BDG(D)M-120P(H) |
9BDG(D)M-120P(H)-T |
9300 |
930 |
132 |
9120 |
912 |
129 |
1300 |
9BDG(D)N-120P(H) |
9BDG(D)N-120P(H)-T |
9120 |
912 |
129 |
1300 |
9BDG(D)5-120P(H) |
9BDG(D)5-120P(H)-T |
7600 |
760 |
109 |
1550 |
- 상기 품명중 색이 칠해진 부분은 국내용(60Hz)입니다.
THERMAL PROTECTOR가 내장되어 있습니다. MOTOR가 어떠한 원인에 의해 과열되면 THERMAL PROTECTOR가 작동해 MOTOR를 정지시킵니다. MOTOR의 온도가 내려 가면 자동적으로 운전을 다시 시작하므로 점검작업은 반드시 전원을 끈 상태에서 실시하여 주십시오. 단상 50Hz 및 수출용 MOTOR의 경우에는 THERMAL PROTECTOR가 기본적으로 부착되며 그 외의 경우에는 주문에 의해 부착됩니다. F2 타력 FAN을 부착하면 10℃ 이상의 온도저하로 냉각효과를 높일 수 있습니다.

60Hz
품명 |
회전속도(rpm) |
900 |
600 |
500 |
360 |
300 |
240 |
200 |
144 |
120 |
100 |
90 |
72 |
Motor/Gearhead |
감속비 |
2 |
3 |
3.6 |
5 |
6 |
7.5 |
9 |
12.5 |
15 |
18 |
20 |
25 |
9BDG□-120FP / 9PBK□BH, 9PFK□BH |
kgf.cm |
17.5 |
18.7 |
22.5 |
31.2 |
37.4 |
46.8 |
56.1 |
70.2 |
84.2 |
101 |
114 |
126 |
N.m |
1.8 |
1.9 |
2.3 |
3.1 |
3.7 |
4.7 |
5.6 |
7.0 |
8.4 |
10.1 |
11.4 |
12.6 |
lb-in |
15.5 |
16.5 |
19.9 |
27.5 |
33.0 |
41.3 |
49.5 |
62.0 |
74 |
89 |
101 |
111 |
9BDG□-120FH / 9HBK□BH |
kgf.cm |
- |
20.6 |
24.8 |
- |
41.1 |
- |
61.7 |
77.2 |
93 |
111 |
- |
139 |
N.m |
- |
2.1 |
2.5 |
- |
4.1 |
- |
6.2 |
7.7 |
9.3 |
11.1 |
- |
13.9 |
lb-in |
- |
18.2 |
21.9 |
- |
36.3 |
- |
54.5 |
68.2 |
81.8 |
98.1 |
- |
122 |
품명 |
회전속도(rpm) |
60 |
50 |
45 |
36 |
30 |
24 |
20 |
18 |
15 |
12 |
10 |
Motor/Gearhead |
감속비 |
30 |
36 |
40 |
50 |
60 |
75 |
90 |
100 |
120 |
150 |
180 |
9BDG□-120FP / 9PBK□BH, 9PFK□BH |
kgf.cm |
152 |
182 |
200 |
200 |
200 |
200 |
200 |
200 |
200 |
200 |
200 |
N.m |
15 |
18 |
20 |
20 |
20 |
20 |
20 |
20 |
20 |
20 |
20 |
lb-in |
134 |
161 |
177 |
177 |
177 |
177 |
177 |
177 |
177 |
177 |
177 |
9BDG□-120FH / 9HBK□BH |
kgf.cm |
167 |
200 |
- |
220 |
240 |
300 |
300 |
300 |
300 |
300 |
300 |
N.m |
16.7 |
20.0 |
- |
24 |
30 |
30 |
30 |
30 |
30 |
30 |
30 |
lb-in |
148 |
177 |
- |
194 |
212 |
265 |
265 |
265 |
265 |
265 |
265 |
50Hz
품명 |
회전속도(rpm) |
750 |
500 |
417 |
300 |
250 |
200 |
167 |
120 |
100 |
83 |
75 |
60 |
Motor/Gearhead |
감속비 |
2 |
3 |
3.6 |
5 |
6 |
7.5 |
9 |
12.5 |
15 |
18 |
20 |
25 |
9BDG□-120FP / 9PBK□BH, 9PFK□BH |
kgf.cm |
22.0 |
23.2 |
27.8 |
38.7 |
46.4 |
58.0 |
69.6 |
87.0 |
104 |
125 |
140 |
156 |
N.m |
2.20 |
2.32 |
2.78 |
3.87 |
4.64 |
5.80 |
6.96 |
8.7 |
10.4 |
12.5 |
14.0 |
15.6 |
lb-in |
19.4 |
20.5 |
24.5 |
34.2 |
41.0 |
51.2 |
61.5 |
76.8 |
92 |
110 |
124 |
138 |
9BDG□-120FH / 9HBK□BH |
kgf.cm |
- |
25.5 |
30.6 |
- |
51.0 |
- |
76.6 |
95.7 |
114 |
138 |
- |
172 |
N.m |
- |
2.6 |
3.1 |
- |
6.1 |
- |
7.7 |
9.6 |
11.4 |
13.8 |
- |
17.2 |
lb-in |
- |
22.5 |
27.0 |
- |
45.1 |
- |
67.6 |
84.5 |
101 |
121 |
- |
152 |
품명 |
회전속도(rpm) |
50 |
42 |
38 |
30 |
25 |
20 |
17 |
15 |
13 |
10 |
8 |
Motor/Gearhead |
감속비 |
30 |
36 |
40 |
50 |
60 |
75 |
90 |
100 |
120 |
150 |
180 |
9BDG□-120FP / 9PBK□BH, 9PFK□BH |
kgf.cm |
188 |
200 |
200 |
200 |
200 |
200 |
200 |
200 |
200 |
200 |
200 |
N.m |
19 |
20 |
20 |
20 |
20 |
20 |
20 |
20 |
20 |
20 |
20 |
lb-in |
166 |
177 |
177 |
177 |
177 |
177 |
177 |
177 |
177 |
177 |
177 |
9BDG□-120FH / 9HBK□BH |
kgf.cm |
207 |
220 |
- |
240 |
260 |
300 |
300 |
300 |
300 |
300 |
300 |
N.m |
20.7 |
22 |
- |
24 |
26 |
30 |
30 |
30 |
30 |
30 |
30 |
lb-in |
183 |
194 |
- |
212 |
230 |
265 |
265 |
265 |
265 |
265 |
265 |
- MOTOR의 품명 중에는 PHASE&VOLTAGE의 코드가 들어갑니다.
- GEARHEAD와 중간 GEARHEAD는 별매입니다.
- GEARHEAD의 품명 중에는 감속비가 들어갑니다. 색이 칠해진 부분은 MOTOR 출력축과 같은 방향, 그 외 흰색부분은 반대방향입니다.
- 회전속도는 MOTOR 동기회전속도(50Hz:1500rpm, 60Hz:1800rpm)를 기준으로 감속비로 나누어 계산합니다. 실제회전 속도는 부하의 크기에 따라 표시보다 2~20% 정도 느립니다.
- 표의 감속비보다 더 감속하고자 할 경우는 GEARHEAD와 MOTOR 사이에 감속비 10의 중간감속기를 설치할 수 있습니다. 이와 같이 중간감속기를 설치하면 속도만 1/10로 줄어들며 최대 허용TORQUE가 증가되지는않습니다. 이 경우의최대허용TORQUE는 P-TYPE:20N.m/200Kgfcm, H-TYPE:30N.m/300Kgfcm 입니다.


Key Spec
Motor |
Gearhead |
 |
 |
65(85)
Size(mm) |
Gearhead Type |
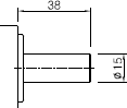
65 - Ø15 |
P Type Gearhead |
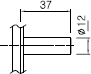
85 - Ø18 |
H Type Gearhead |
Weight
Part |
Weight (kg) |
Motor |
3.5 |
Decimal Gearhead |
0.5 |
Gearhead |
Gearhead Type |
P Type |
H Type |
9P(H)□□ 3BH - 9P(H)□□ 9BH |
1.3 |
1.45 |
9P(H)□□ 12.5BH - 9P(H)□□ 18BH |
1.3 |
1.5 |
9P(H)□□ 25BH - 9P(H)□□ 60BH |
1.4 |
1.7 |
9P(H)□□ 90BH - 9P(H)□□ 180BH |
1.4 |
1.8 |
Gearhead 출력축 사양
Model |
Round Type |
D-Cut Type |
Key Type |
9P(H)□S3BH - 9P(H)□S180BH |
9P(H)□D3BH - 9P(H)□D180BH |
9P(H)□K3BH - 9P(H)□K180BH |
P Type |
 |
 |
 |
H Type |
 |
 |
 |
Motor 출력축 사양
Model |
Gear Type |
Round Type |
D-Cut Type |
Key Type |
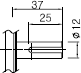
9BDG□ - 120□P(H) |
9BDS□ - 120□ |
9BDD□ - 120□ |
9BDK□ - 120□ |
출력축 구분 |
 |
 |
 |
 |
* 상기 표는 출력축의 사양으로써 주문에 의해 제조되며 ★표시는 공장출하시 기본사양입니다.

단상 |
 |
- SW1는 모터와 BRAKE를 작동시킵니다. SW1이 ON 되면 모터가 작동하고 동시에 BRAKE가 작동하여 부하를 유지시킵니다.
(모터가 정지했을 때 BRAKE를 풀기 위해서는 BRAKE에 연결된 LEAD선(노란색)에 전원을 연결하십시오.)
- 회전방향을 변경하려면 CW 방향은 SW2를 CW에 접점하고 CCW 방향은 SW2를 CCW에 접점하십시오.
Swatch |
Switch 접점용량 |
비고 |
단상 110, 115 VAC 입력 |
단상 220, 230 VAC 입력 |
SW1 |
125 VAC 5A 이상 (유도부하) |
250 VAC 5A 이상 (유도부하) |
연동일 것 |
SW2 |
- |
|
삼상 |
 |
- SW1는 모터와 BRAKE를 작동시킵니다. SW1이 ON 되면 모터가 작동하고 동시에 BRAKE가 작동하여 부하를 유지시킵니다.
(모터가 정지했을 때 BRAKE를 풀기 위해서는 BRAKE에 연결된 LEAD선(노란색)에 전원을 연결하십시오.)
- 회전방향을 변경하려면 U, V, W 중 두개를 변경하여 연결하여 주십시오.
Swatch |
Switch 접점용량 |
비고 |
SW1 |
250 VAC 5A 이상 (유도부하) |
연동일 것 |
|
- 회전방향은 모터의 SHAFT 끝부분에서 봤을 때의 방향입니다.
- CW는 시계방향이고 CCW는 시계반대방향입니다.
- Ro와 Co는 SURGE 흡수회로에 대한 것입니다. (Ro=5~200Ω, Co=0.1~0.2㎌, 2000WV(400WV))