당사는 회원님께 최대한으로 최적화되고 맞춤화된 서비스를 제공하기 위하여 다음과 같은 목적으로 개인정보를 수집하고 있습니다.
단, 이용자의 기본적 인권 침해의 우려가 있는 민감한 개인정보(인종 및 민족, 사상 및 신조, 출신지 및 본적지, 정치적 성향 및 범죄기록, 건강상태 및 성생활 등)는 수집하지 않습니다.
귀하의 개인정보는 다음과 같이 개인정보의 수집목적 또는 제공받은 목적이 달성되면 파기됩니다. 단, 상법 등 관련법령의 규정에 의하여 다음과 같이 거래 관련 권리 의무 관계의 확인 등을 이유로 일정기간 보유하여야 할 필요가 있을 경우에는 일정기간 보유합니다.
귀하의 동의를 받아 보유하고 있는 거래정보 등을 귀하께서 열람을 요구하는 경우 당사는 지체없이 열람, 확인할 수 있도록 조치합니다.
홈 - 제품소개 - 모터 - 소형 모터 - DKM소형모터 생산품




| Model | 정격 시간 |
출력 | 전압 | 주파수 | 전류 | 콘덴서 용량 | |||
|---|---|---|---|---|---|---|---|---|---|
| 8BDG□-15G : 치절 SHAFT 8BDS□-15 : 둥근(丸) SHAFT |
|||||||||
| LEAD선 Type | 단자 Box Type | HP | W | VAC | Hz | A | ㎌ | VAC | |
| 8BDG(S)1-15G | 8BDG(S)1-15G-T | 30분 | 1/50 | 15 | 단상 110 | 60 | 0.50 | 6.0 | 250 |
| 8BDG(S)B-15G-T | 단상 115 | 60 | |||||||
| 8BDG(S)C-15G-T | 30분 | 단상 220 | 50 | 0.3 | 2.0 | 400 | |||
| 8BDG(S)2-15G | 8BDG(S)2-15G-T | 단상 220 | 60 | ||||||
| 8BDG(S)E-15G-T | 단상 230 | 50 | |||||||
| 8BDG(S)F-15G-T | 단상 230 | 60 | |||||||
| 8BDG(S)G-15G-T | 30분 | 삼상 220 | 50 | 0.25 | - | ||||
| 8BDG(S)3-15G | 8BDG(S)3-15G-T | 삼상 220 | 60 | ||||||
| 8BDG(S)I-15G-T | 삼상 230 | 50 | |||||||
| 8BDG(S)J-15G-T | 삼상 230 | 60 | |||||||
| 8BDG(S)K-15G-T | 30분 | 삼상 380 | 50 | 0.14 | |||||
| 8BDG(S)4-15G | 8BDG(S)4-15G-T | 삼상 380 | 60 | ||||||
| 8BDG(S)M-15G-T | 30분 | 삼상 400 | 50 | 0.11 | |||||
| 8BDG(S)N-15G-T | 삼상 440 | 50 | |||||||
| 8BDG(S)5-15G | 8BDG(S)5-15G-T | 삼상 440 | 60 | ||||||
| Model | 기동 Torque | 정격 Torque | 정격회전속도 | ||||||
| 8BDG□-15G : 치절 SHAFT 8BDS□-15 : 둥근(丸) SHAFT |
|||||||||
| LEAD선 Type | 단자 Box Type | gfcm | nM.m | oz-in | gfcm | nM.m | oz-in | r/min | |
| 8BDG(S)1-15G | 8BDG(S)1-15G-T | 800 | 80 | 11 | 1000 | 100 | 14 | 1550 | |
| 8BDG(S)B-15G-T | |||||||||
| 8BDG(S)C-15G-T | 800 | 80 | 11 | 1200 | 120 | 17 | 1300 | ||
| 8BDG(S)2-15G | 8BDG(S)2-15G-T | 1000 | 100 | 14 | 1550 | ||||
| 8BDG(S)E-15G-T | 1200 | 120 | 17 | 1300 | |||||
| 8BDG(S)F-15G-T | 1000 | 100 | 14 | 1550 | |||||
| 8BDG(S)G-15G-T | 1300 | 130 | 18.5 | 1200 | 120 | 17 | 1300 | ||
| 8BDG(S)3-15G | 8BDG(S)3-15G-T | 1000 | 100 | 14.2 | 1550 | ||||
| 8BDG(S)I-15G-T | 1200 | 120 | 17 | 1300 | |||||
| 8BDG(S)J-15G-T | 1000 | 100 | 14.2 | 1550 | |||||
| 8BDG(S)K-15G-T | 1300 | 130 | 18.5 | 1200 | 120 | 17 | 1300 | ||
| 8BDG(S)4-15G | 8BDG(S)4-15G-T | 1000 | 100 | 14.2 | 1550 | ||||
| 8BDG(S)M-15G-T | 1300 | 130 | 18.5 | 1200 | 120 | 17 | 1300 | ||
| 8BDG(S)N-15G-T | 1000 | 100 | 14.2 | 1550 | |||||
| 8BDG(S)5-15G | 8BDG(S)5-15G-T | 1000 | 100 | 14.2 | 1550 | ||||

60Hz
| 품명 | 회전속도(rpm) | 600 | 500 | 360 | 300 | 240 | 200 | 144 | 120 | 100 | 72 | 60 | 50 |
|---|---|---|---|---|---|---|---|---|---|---|---|---|---|
| Motor/Gearhead | 감속비 | 3 | 3.6 | 5 | 6 | 7.5 | 9 | 12.5 | 15 | 18 | 25 | 30 | 36 |
| 8BDG□-15G / 8GBD□BMH | kgf.cm | 2.9 | 3.5 | 4.9 | 5.8 | 7.3 | 8.7 | 12.2 | 14.6 | 17.5 | 21.9 | 26.3 | 31.5 |
| N.m | 0.29 | 0.35 | 0.49 | 0.58 | 0.73 | 0.87 | 1.2 | 1.5 | 1.8 | 2.2 | 2.6 | 3.2 | |
| lb-in | 2.6 | 3.1 | 4.3 | 5.1 | 6.4 | 7.7 | 11 | 13 | 15 | 19 | 23 | 28 |
| 품명 | 회전속도(rpm) | 45 | 36 | 30 | 24 | 20 | 18 | 15 | 12 | 10 | 7 | 6 | 5 |
|---|---|---|---|---|---|---|---|---|---|---|---|---|---|
| Motor/Gearhead | 감속비 | 40 | 50 | 60 | 75 | 90 | 100 | 120 | 150 | 180 | 250 | 300 | 360 |
| 8BDG□-15G / 8GBD□BMH | kgf.cm | 36.5 | 39.6 | 47.5 | 59.4 | 71.3 | 79.2 | 80 | 80 | 80 | 80 | 80 | 80 |
| N.m | 3.6 | 4.0 | 4.8 | 5.9 | 7.1 | 7.9 | 8 | 8 | 8 | 8 | 8 | 8 | |
| lb-in | 32 | 35 | 42 | 52 | 63 | 70 | 71 | 71 | 71 | 71 | 71 | 71 |
50Hz
| 품명 | 회전속도(rpm) | 500 | 417 | 300 | 250 | 200 | 167 | 120 | 100 | 83 | 60 | 50 | 42 |
|---|---|---|---|---|---|---|---|---|---|---|---|---|---|
| Motor/Gearhead | 감속비 | 3 | 3.6 | 5 | 6 | 7.5 | 9 | 12.5 | 15 | 18 | 25 | 30 | 36 |
| 8BDG□-15G / 8GBD□BMH | kgf.cm | 3.4 | 4.1 | 5.7 | 6.8 | 8.5 | 10.2 | 14.2 | 17.0 | 20.4 | 25.6 | 30.7 | 36.8 |
| N.m | 0.34 | 0.41 | 0.57 | 0.68 | 0.85 | 1.02 | 1.4 | 1.7 | 2.0 | 2.6 | 3.1 | 3.7 | |
| lb-in | 3.0 | 3.6 | 5.0 | 6.0 | 7.5 | 9.0 | 13 | 15 | 18 | 23 | 27 | 32 |
| 품명 | 회전속도(rpm) | 38 | 30 | 25 | 20 | 17 | 15 | 13 | 10 | 8 | 6 | 5 | 5 |
|---|---|---|---|---|---|---|---|---|---|---|---|---|---|
| Motor/Gearhead | 감속비 | 40 | 50 | 60 | 75 | 90 | 100 | 120 | 150 | 180 | 250 | 300 | 360 |
| 8BDG□-15G / 8GBD□BMH | kgf.cm | 38.8 | 46.2 | 55.4 | 69.2 | 80 | 80 | 80 | 80 | 80 | 80 | 80 | 80 |
| N.m | 3.8 | 4.6 | 5.5 | 6.9 | 8 | 8 | 8 | 8 | 8 | 8 | 8 | 8 | |
| lb-in | 34 | 41 | 49 | 61 | 71 | 71 | 71 | 71 | 71 | 71 | 71 | 71 |


| Motor | Gearhead |
|---|---|
![]() |
![]() |
| Size(mm) | Gear Ratio |
|---|---|
| 30 | 8GB□ 3BMH - 8GB□ 18BMH |
| 40 | 8GB□ 25BMH - 8GB□ 360BMH |
| Part | Weight (kg) | |
|---|---|---|
| Motor | 2.0 | |
| Decimal Gearhead | 0.44 | |
| Gearhead | 8GB□3BMH - 8GB□18BMH | 0.48 |
| 8GB□25BMH - 8GB□30BMH | 0.61 | |
| 8GB□36BMH - 8GB□180BMH | 0.67 | |
| 8GB□200BMH - 8GB□360BMH | 0.63 | |
| Model | Round Type | D-Cut Type | Key Type |
|---|---|---|---|
| 8GBS3BMH - 8GBS360BMH | 8GBD3BMH - 8GBD360BMH | 8GBK3BMH - 8GBK360BMH | |
| 출력축 구분 | ![]() |
![]() |
![]() |
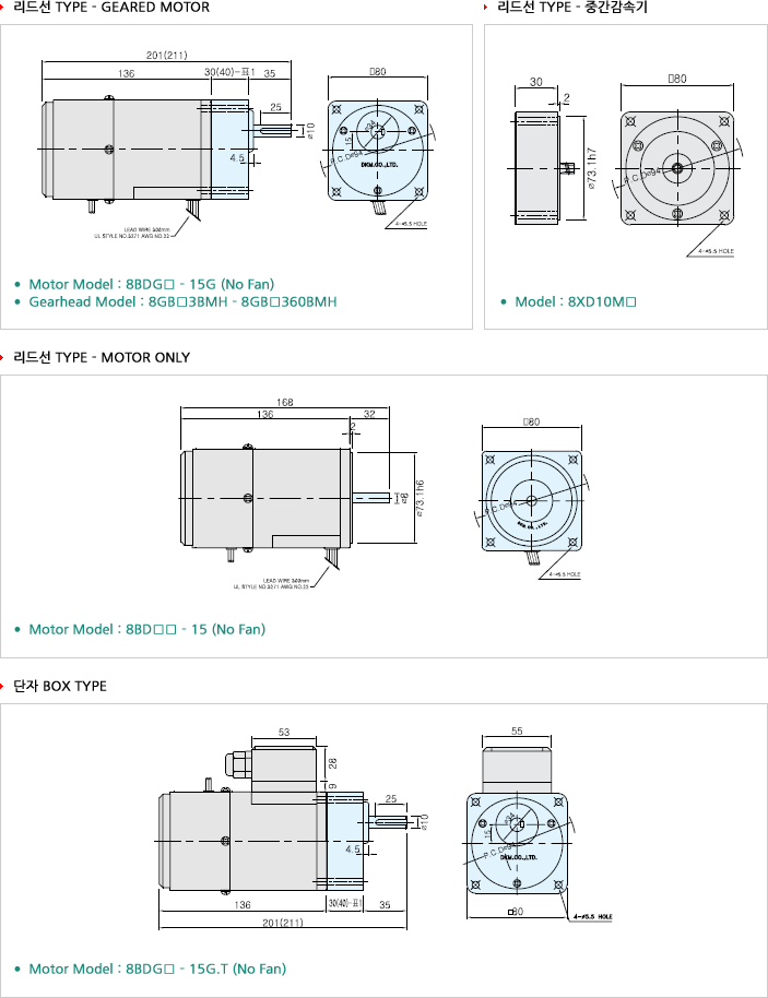
| Model | Gear Type | Round Type | D-Cut Type | Key Type |
|---|---|---|---|---|
| 8BDG□ - 15G | 8BDS□ - 15 | 8BDD□ - 15 | 8BDK□ - 15 | |
| 출력축 구분 | ![]() |
![]() |
![]() |
![]() |
* 상기 표는 출력축의 사양으로써 주문에 의해 제조되며 ★표시는 공장출하시 기본사양입니다.

| 단상 | |||||||||||||
|---|---|---|---|---|---|---|---|---|---|---|---|---|---|
![]() |
|
||||||||||||
| 삼상 | |||||||||||||
![]() |
|
||||||||||||