당사는 회원님께 최대한으로 최적화되고 맞춤화된 서비스를 제공하기 위하여 다음과 같은 목적으로 개인정보를 수집하고 있습니다.
단, 이용자의 기본적 인권 침해의 우려가 있는 민감한 개인정보(인종 및 민족, 사상 및 신조, 출신지 및 본적지, 정치적 성향 및 범죄기록, 건강상태 및 성생활 등)는 수집하지 않습니다.
귀하의 개인정보는 다음과 같이 개인정보의 수집목적 또는 제공받은 목적이 달성되면 파기됩니다. 단, 상법 등 관련법령의 규정에 의하여 다음과 같이 거래 관련 권리 의무 관계의 확인 등을 이유로 일정기간 보유하여야 할 필요가 있을 경우에는 일정기간 보유합니다.
귀하의 동의를 받아 보유하고 있는 거래정보 등을 귀하께서 열람을 요구하는 경우 당사는 지체없이 열람, 확인할 수 있도록 조치합니다.
홈 - 제품소개 - 모터 - 소형 모터 - DKM소형모터 생산품




| Model | 출력 | 전압 | 주파수 | 기동 Torque | ||||
|---|---|---|---|---|---|---|---|---|
| 9RDG□-120FP(H) : 치절 SHAFT 9RDD□-120F : D-CUT SHAFT |
||||||||
| LEAD선 Type | 단자 Box Type | HP | W | VAC | Hz | gfcm | nM.m | oz-in |
| 9RDG(D)1-120FP(H) | 9RDG(D)1-120FP(H)-T | 1/6 | 120 | 단상 110 | 60 | 7000 | 700 | 99 |
| 9RDG(D)B-120FP(H)-T | 단상 115 | 60 | ||||||
| 9RDG(D)C-120FP(H)-T | 단상 220 | 50 | 7000 | 700 | 99 | |||
| 9RDG(D)2-120FP(H) | 9RDG(D)2-120FP(H)-T | 단상 220 | 60 | |||||
| 9RDG(D)E-120FP(H)-T | 단상 230 | 50 | ||||||
| 9RDG(D)F-120FP(H)-T | 단상 230 | 60 | ||||||
| Model | 정격 Torque | 정격회전속도 | 콘덴서 사양 | 전류 | ||||
| 9RDG□-120FP(H) : 치절 SHAFT 9RDD□-120F : D-CUT SHAFT |
||||||||
| LEAD선 Type | 단자 Box Type | gfcm | nM.m | oz-in | r/min | ㎌ | VAC | A |
| 9RDG(D)1-120FP(H) | 9RDG(D)1-120FP(H)-T | 7600 | 760 | 108 | 1500 | 30 | 250 | 2.5 |
| 9RDG(D)B-120FP(H)-T | ||||||||
| 9RDG(D)C-120FP(H)-T | 9120 | 912 | 129 | 1300 | 6.5 | 400 | 1.3 | |
| 9RDG(D)2-120FP(H) | 9RDG(D)2-120FP(H)-T | 7600 | 760 | 108 | 1500 | |||
| 9RDG(D)E-120FP(H)-T | 9120 | 912 | 129 | 1300 | ||||
| 9RDG(D)F-120FP(H)-T | 7600 | 760 | 108 | 1500 | ||||

60Hz
| 품명 | 회전속도(rpm) | 900 | 600 | 500 | 360 | 300 | 240 | 200 | 144 | 120 | 100 | 90 | 72 |
|---|---|---|---|---|---|---|---|---|---|---|---|---|---|
| Motor/Gearhead | 감속비 | 2 | 3 | 3.6 | 5 | 6 | 7.5 | 9 | 12.5 | 15 | 18 | 20 | 25 |
| 9RDG□-120FP / 9PBK□BH, 9PFK□BH |
kgf.cm | 17.5 | 18.7 | 22.5 | 31.2 | 37.4 | 46.8 | 56.1 | 70.2 | 84.2 | 101 | 114 | 126 |
| N.m | 1.8 | 1.9 | 2.3 | 3.1 | 3.7 | 4.7 | 5.6 | 7.0 | 8.4 | 10.1 | 11.4 | 12.6 | |
| lb-in | 15.5 | 16.5 | 19.9 | 27.5 | 33.0 | 41.3 | 49.5 | 62.0 | 74 | 89 | 101 | 111 | |
| 9RDG□-120FH / 9HBK□BH |
kgf.cm | - | 20.6 | 24.8 | - | 41.1 | - | 61.7 | 77.2 | 93 | 111 | - | 139 |
| N.m | - | 2.1 | 2.5 | - | 4.1 | - | 6.2 | 7.7 | 9.3 | 11.1 | - | 13.9 | |
| lb-in | - | 18.2 | 21.9 | - | 36.3 | - | 54.5 | 68.2 | 81.8 | 98.1 | - | 122 |
| 품명 | 회전속도(rpm) | 60 | 50 | 45 | 36 | 30 | 24 | 20 | 18 | 15 | 12 | 10 |
|---|---|---|---|---|---|---|---|---|---|---|---|---|
| Motor/Gearhead | 감속비 | 30 | 36 | 40 | 50 | 60 | 75 | 90 | 100 | 120 | 150 | 180 |
| 9RDG□-120FP / 9PBK□BH, 9PFK□BH |
kgf.cm | 152 | 182 | 200 | 200 | 200 | 200 | 200 | 200 | 200 | 200 | 200 |
| N.m | 15 | 18 | 20 | 20 | 20 | 20 | 20 | 20 | 20 | 20 | 20 | |
| lb-in | 134 | 161 | 177 | 177 | 177 | 177 | 177 | 177 | 177 | 177 | 177 | |
| 9RDG□-120FH / 9HBK□BH |
kgf.cm | 167 | 200 | - | 220 | 240 | 300 | 300 | 300 | 300 | 300 | 300 |
| N.m | 16.7 | 20.2 | - | 22 | 24 | 30 | 30 | 30 | 30 | 30 | 30 | |
| lb-in | 148 | 177 | - | 194 | 212 | 265 | 265 | 265 | 265 | 265 | 265 |
50Hz
| 품명 | 회전속도(rpm) | 750 | 500 | 417 | 300 | 250 | 200 | 167 | 120 | 100 | 83 | 75 | 60 |
|---|---|---|---|---|---|---|---|---|---|---|---|---|---|
| Motor/Gearhead | 감속비 | 2 | 3 | 3.6 | 5 | 6 | 7.5 | 9 | 12.5 | 15 | 18 | 20 | 25 |
| 9RDG□-120FP / 9PBK□BH, 9PFK□BH |
kgf.cm | 22.0 | 23.2 | 27.8 | 38.7 | 46.4 | 58.0 | 69.6 | 87.0 | 104 | 125 | 140 | 156 |
| N.m | 2.20 | 2.32 | 2.78 | 3.87 | 4.64 | 5.80 | 6.96 | 8.7 | 10.4 | 12.5 | 14.0 | 15.6 | |
| lb-in | 19.4 | 20.5 | 24.5 | 34.2 | 41.0 | 51.2 | 61.5 | 768 | 92 | 110 | 124 | 138 | |
| 9RDG□-120FH / 9HBK□BH |
kgf.cm | - | 25.5 | 30.6 | - | 51.0 | - | 76.6 | 95.7 | 114 | 138 | - | 172 |
| N.m | - | 2.6 | 3.1 | - | 5.1 | - | 7.7 | 9.6 | 11.4 | 13.8 | - | 17.2 | |
| lb-in | - | 22.5 | 27.0 | - | 45.1 | - | 67.6 | 84.5 | 101 | 121 | - | 152 |
| 품명 | 회전속도(rpm) | 50 | 42 | 38 | 30 | 25 | 20 | 17 | 15 | 13 | 10 | 8 |
|---|---|---|---|---|---|---|---|---|---|---|---|---|
| Motor/Gearhead | 감속비 | 30 | 36 | 40 | 50 | 60 | 75 | 90 | 100 | 120 | 150 | 180 |
| 9RDG□-120FP / 9PBK□BH, 9PFK□BH |
kgf.cm | 188 | 200 | 200 | 200 | 200 | 200 | 200 | 200 | 200 | 200 | 200 |
| N.m | 19 | 20 | 20 | 20 | 20 | 20 | 20 | 20 | 20 | 20 | 20 | |
| lb-in | 166 | 177 | 177 | 177 | 177 | 177 | 177 | 177 | 177 | 177 | 177 | |
| 9RDG□-120FH / 9HBK□BH |
kgf.cm | 207 | 220 | - | 240 | 260 | 300 | 300 | 300 | 300 | 300 | 300 |
| N.m | 20.7 | 22 | - | 24 | 26 | 30 | 30 | 30 | 30 | 30 | 30 | |
| lb-in | 183 | 194 | - | 212 | 230 | 265 | 265 | 265 | 265 | 265 | 265 |


| Motor | Gearhead |
|---|---|
![]() |
![]() |
| Size(mm) | Gearhead Type |
|---|---|
| 65 - Ø15 | P Type Gearhead |
| 85 - Ø18 | H Type Gearhead |
| Part | Weight (kg) | ||
|---|---|---|---|
| Motor | 3.0 | ||
| Decimal Gearhead | 0.5 | ||
| Gearhead | Gearhead Type | P Type | H Type |
| 9P(H)□□ 3BH - 9P(H)□□ 9BH | 1.3 | 1.45 | |
| 9P(H)□□ 12.5BH - 9P(H)□□ 18BH | 1.3 | 1.5 | |
| 9P(H)□□ 25BH - 9P(H)□□ 60BH | 1.4 | 1.7 | |
| 9P(H)□□ 90BH - 9P(H)□□ 180BH | 1.4 | 1.8 | |
| Model | Round Type | D-Cut Type | Key Type |
|---|---|---|---|
| 9P(H)□S3BH - 9P(H)□S180BH | 9P(H)□D3BH - 9P(H)□D180BH | 9P(H)□K3BH - 9P(H)□K180BH | |
| P Type | ![]() |
![]() |
![]() |
| H Type | ![]() |
![]() |
![]() |
| Model | Gear Type | Round Type | D-Cut Type | Key Type |
|---|---|---|---|---|
| 9RDG□ - 120□P(H) | 9RDS□ - 120□ | 9RDD□ - 120□ | 9RDK□ - 120□ | |
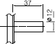
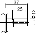
| 출력축 구분 | ![]() |
![]() |
![]() |
![]() |
* 상기 표는 출력축의 사양으로써 주문에 의해 제조되며 ★표시는 공장출하시 기본사양입니다.

| 4선식 | 3선식 | ||
|---|---|---|---|
| 단상 (시계방향) | 단상 (반시계방향) | 단상 (시계, 반시계방향) | 삼상 (시계, 반시계방향) |
![]() |
![]() |
|
없음 |