당사는 회원님께 최대한으로 최적화되고 맞춤화된 서비스를 제공하기 위하여 다음과 같은 목적으로 개인정보를 수집하고 있습니다.
단, 이용자의 기본적 인권 침해의 우려가 있는 민감한 개인정보(인종 및 민족, 사상 및 신조, 출신지 및 본적지, 정치적 성향 및 범죄기록, 건강상태 및 성생활 등)는 수집하지 않습니다.
귀하의 개인정보는 다음과 같이 개인정보의 수집목적 또는 제공받은 목적이 달성되면 파기됩니다. 단, 상법 등 관련법령의 규정에 의하여 다음과 같이 거래 관련 권리 의무 관계의 확인 등을 이유로 일정기간 보유하여야 할 필요가 있을 경우에는 일정기간 보유합니다.
귀하의 동의를 받아 보유하고 있는 거래정보 등을 귀하께서 열람을 요구하는 경우 당사는 지체없이 열람, 확인할 수 있도록 조치합니다.
홈 - 제품소개 - 모터 - 소형 모터 - DKM소형모터 생산품




| Model | 출력 | 전압 | 주파수 | 기동 Torque | ||||
|---|---|---|---|---|---|---|---|---|
| 9RDG□-90FP : 치절 SHAFT 9RDD□-90F : D-CUT SHAFT |
||||||||
| LEAD선 Type | 단자 Box Type | HP | W | VAC | Hz | gfcm | nM.m | oz-in |
| 9RDG(D)1-90FP(H) | 9RDG(D)1-90FP(H)-T | 1/8 | 90 | 단상 110 | 60 | 5500 | 550 | 78 |
| 9RDG(D)B-90FP(H)-T | 단상 115 | 60 | ||||||
| 9RDG(D)C-90FP(H)-T | 단상 220 | 50 | 5500 | 550 | 78 | |||
| 9RDG(D)2-90FP(H) | 9RDG(D)2-90FP(H)-T | 단상 220 | 60 | |||||
| 9RDG(D)E-90FP(H)-T | 단상 230 | 50 | ||||||
| 9RDG(D)F-90FP(H)-T | 단상 230 | 60 | ||||||
| Model | 정격 Torque | 정격회전속도 | 콘덴서 사양 | 전류 | ||||
| 9RDG□-90FP : 치절 SHAFT 9RDD□-90F : D-CUT SHAFT |
||||||||
| LEAD선 Type | 단자 Box Type | gfcm | nM.m | oz-in | r/min | ㎌ | VAC | A |
| 9RDG(D)1-90FP(H) | 9RDG(D)1-90FP(H)-T | 5700 | 570 | 81 | 1500 | 25 | 250 | 2.2 |
| 9RDG(D)B-90FP(H)-T | ||||||||
| 9RDG(D)C-90FP(H)-T | 6840 | 684 | 97 | 1300 | 6.0 | 400 | 1.2 | |
| 9RDG(D)2-90FP(H) | 9RDG(D)2-90FP(H)-T | 5700 | 570 | 81 | 1500 | |||
| 9RDG(D)E-90FP(H)-T | 6840 | 684 | 97 | 1300 | ||||
| 9RDG(D)F-90FP(H)-T | 5700 | 570 | 81 | 1500 | ||||

60Hz
| 품명 | 회전속도(rpm) | 900 | 600 | 500 | 360 | 300 | 240 | 200 | 144 | 120 | 100 | 90 | 72 |
|---|---|---|---|---|---|---|---|---|---|---|---|---|---|
| Motor/Gearhead | 감속비 | 2 | 3 | 3.6 | 5 | 6 | 7.5 | 9 | 12.5 | 15 | 18 | 20 | 25 |
| 9RDG□-90FP / 9PBK□BH, 9PFK□BH |
kgf.cm | 12 | 14.6 | 17.5 | 24.3 | 29.2 | 36.5 | 43.7 | 54.8 | 65.7 | 78.8 | 88.0 | 99 |
| N.m | 1.2 | 1.5 | 1.8 | 2.4 | 2.9 | 3.4 | 4.4 | 5.5 | 6.6 | 7.9 | 8.8 | 9.9 | |
| lb-in | 10.6 | 12.9 | 15.5 | 21.5 | 25.8 | 32.2 | 38.6 | 48.4 | 58.0 | 69.6 | 77.7 | 87.4 | |
| 9RDG□-90FH / 9HBK□BH |
kgf.cm | - | - | - | - | - | - | - | - | - | - | - | - |
| N.m | |||||||||||||
| lb-in |
| 품명 | 회전속도(rpm) | 60 | 50 | 45 | 36 | 30 | 24 | 20 | 18 | 15 | 12 | 10 |
|---|---|---|---|---|---|---|---|---|---|---|---|---|
| Motor/Gearhead | 감속비 | 30 | 36 | 40 | 50 | 60 | 75 | 90 | 100 | 120 | 150 | 180 |
| 9RDG□-90FP / 9PBK□BH, 9PFK□BH |
kgf.cm | 119 | 143 | 158 | 198 | 200 | 200 | 200 | 200 | 200 | 200 | 200 |
| N.m | 12 | 14 | 16 | 20 | 20 | 20 | 20 | 20 | 20 | 20 | 20 | |
| lb-in | 105 | 126 | 140 | 175 | 177 | 177 | 177 | 177 | 177 | 177 | 177 | |
| 9RDG□-90FH / 9HBK□BH |
kgf.cm | - | - | - | 198 | 232 | 259 | 300 | 300 | 300 | 300 | 300 |
| N.m | 20 | 23 | 26 | 30 | 30 | 30 | 30 | 30 | ||||
| lb-in | 175 | 205 | 229 | 265 | 265 | 265 | 265 | 265 |
50Hz
| 품명 | 회전속도(rpm) | 750 | 500 | 417 | 300 | 250 | 200 | 167 | 120 | 100 | 83 | 75 | 60 |
|---|---|---|---|---|---|---|---|---|---|---|---|---|---|
| Motor/Gearhead | 감속비 | 2 | 3 | 3.6 | 5 | 6 | 7.5 | 9 | 12.5 | 15 | 18 | 20 | 25 |
| 9RDG□-90FP / 9PBK□BH, 9PFK□BH |
kgf.cm | 15 | 18.2 | 21.9 | 30.4 | 36.5 | 45.6 | 54.7 | 68.4 | 82.1 | 98.6 | 110 | 124 |
| N.m | 1.5 | 1.8 | 2.2 | 3.0 | 3.7 | 4.6 | 5.5 | 6.8 | 8.2 | 9.9 | 11 | 12 | |
| lb-in | 13.2 | 16.1 | 19.3 | 26.8 | 32.2 | 40.3 | 48.3 | 60 | 72 | 87 | 91 | 109 | |
| 9RDG□-90FH / 9HBK□BH |
kgf.cm | - | - | - | - | - | - | - | - | - | - | - | - |
| N.m | |||||||||||||
| lb-in |
| 품명 | 회전속도(rpm) | 50 | 42 | 38 | 30 | 25 | 20 | 17 | 15 | 13 | 10 | 8 |
|---|---|---|---|---|---|---|---|---|---|---|---|---|
| Motor/Gearhead | 감속비 | 30 | 36 | 40 | 50 | 60 | 75 | 90 | 100 | 120 | 150 | 180 |
| 9RDG□-90FP / 9PBK□BH, 9PFK□BH |
kgf.cm | 150 | 180 | 199 | 200 | 200 | 200 | 200 | 200 | 200 | 200 | 200 |
| N.m | 15 | 18 | 20 | 20 | 20 | 20 | 20 | 20 | 20 | 20 | 20 | |
| lb-in | 132 | 159 | 176 | 177 | 177 | 177 | 177 | 177 | 177 | 177 | 177 | |
| 9RDG□-90FH / 9HBK□BH |
kgf.cm | - | - | - | 241 | 289 | 300 | 300 | 300 | 300 | 300 | 300 |
| N.m | 24 | 29 | 30 | 30 | 30 | 30 | 30 | 30 | ||||
| lb-in | 213 | 255 | 265 | 265 | 265 | 265 | 265 | 265 |


| Motor | Gearhead |
|---|---|
![]() |
![]() |
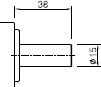
| Size(mm) | Gearhead Type |
|---|---|
| 65 - Ø15 | P Type Gearhead |
| 85 - Ø18 | H Type Gearhead |
| Part | Weight (kg) | ||
|---|---|---|---|
| Motor | 3.0 | ||
| Decimal Gearhead | 0.5 | ||
| Gearhead | Gearhead Type | P Type | H Type |
| 9P(H)□□ 3BH - 9P(H)□□ 9BH | 1.3 | 1.45 | |
| 9P(H)□□ 12.5BH - 9P(H)□□ 18BH | 1.3 | 1.5 | |
| 9P(H)□□ 25BH - 9P(H)□□ 60BH | 1.4 | 1.7 | |
| 9P(H)□□ 90BH - 9P(H)□□ 180BH | 1.4 | 1.8 | |
| Model | Round Type | D-Cut Type | Key Type |
|---|---|---|---|
| 9P(H)□S3BH - 9P(H)□S180BH | 9P(H)□D3BH - 9P(H)□D180BH | 9P(H)□K3BH - 9P(H)□K180BH | |
| P Type | ![]() |
![]() |
![]() |
| H Type | ![]() |
![]() |
![]() |
| Model | Gear Type | Round Type | D-Cut Type | Key Type |
|---|---|---|---|---|
| 9RDG□ - 90□P(H) | 9RDS□ - 90□ | 9RDD□ - 90□ | 9RDK□ - 90□ | |
| 출력축 구분 | ![]() |
![]() |
![]() |
![]() |
* 상기 표는 출력축의 사양으로써 주문에 의해 제조되며 ★표시는 공장출하시 기본사양입니다.

| 4선식 | 3선식 | ||
|---|---|---|---|
| 단상 (시계방향) | 단상 (반시계방향) | 단상 (시계, 반시계방향) | 삼상 (시계, 반시계방향) |
![]() |
![]() |
|
없음 |