당사는 회원님께 최대한으로 최적화되고 맞춤화된 서비스를 제공하기 위하여 다음과 같은 목적으로 개인정보를 수집하고 있습니다.
단, 이용자의 기본적 인권 침해의 우려가 있는 민감한 개인정보(인종 및 민족, 사상 및 신조, 출신지 및 본적지, 정치적 성향 및 범죄기록, 건강상태 및 성생활 등)는 수집하지 않습니다.
귀하의 개인정보는 다음과 같이 개인정보의 수집목적 또는 제공받은 목적이 달성되면 파기됩니다. 단, 상법 등 관련법령의 규정에 의하여 다음과 같이 거래 관련 권리 의무 관계의 확인 등을 이유로 일정기간 보유하여야 할 필요가 있을 경우에는 일정기간 보유합니다.
귀하의 동의를 받아 보유하고 있는 거래정보 등을 귀하께서 열람을 요구하는 경우 당사는 지체없이 열람, 확인할 수 있도록 조치합니다.
홈 - 제품소개 - 모터 - 소형 모터 - DKM소형모터 생산품




| Model | 출력 | 전압 | 주파수 | 기동 Torque | ||||
|---|---|---|---|---|---|---|---|---|
| 9RDG□-40G : 치절 SHAFT 9RDD□-40 : D-CUT SHAFT |
||||||||
| LEAD선 Type | 단자 Box Type | HP | W | VAC | Hz | gfcm | nM.m | oz-in |
| 9RDG(D)1-40G | 9RDG(D)1-40G-T | 1/15 | 40 | 단상 110 | 60 | 2600 | 260 | 37 |
| 9RDG(D)B-40G-T | 단상 115 | 60 | ||||||
| 9RDG(D)C-40G-T | 단상 220 | 50 | 2600 | 260 | 37 | |||
| 9RDG(D)2-40G | 9RDG(D)2-40G-T | 단상 220 | 60 | |||||
| 9RDG(D)E-40G-T | 단상 230 | 50 | ||||||
| 9RDG(D)F-40G-T | 단상 230 | 60 | ||||||
| Model | 정격 Torque | 정격회전속도 | 콘덴서 사양 | 전류 | ||||
| 9RDG□-40G : 치절 SHAFT 9RDD□-40 : D-CUT SHAFT |
||||||||
| LEAD선 Type | 단자 Box Type | gfcm | nM.m | oz-in | r/min | ㎌ | VAC | A |
| 9RDG(D)1-40G | 9RDG(D)1-40G-T | 2600 | 260 | 37 | 1550 | 16.0 | 250 | 1.0 |
| 9RDG(D)B-40G-T | ||||||||
| 9RDG(D)C-40G-T | 3000 | 300 | 42 | 1350 | 4.0 | 400 | 0.5 | |
| 9RDG(D)2-40G | 9RDG(D)2-40G-T | 2600 | 260 | 37 | 1550 | |||
| 9RDG(D)E-40G-T | 3000 | 300 | 42 | 1350 | ||||
| 9RDG(D)F-40G-T | 2600 | 260 | 37 | 1550 | ||||

60Hz
| 품명 | 회전속도(rpm) | 900 | 600 | 500 | 360 | 300 | 240 | 200 | 180 | 144 | 120 | 100 | 72 |
|---|---|---|---|---|---|---|---|---|---|---|---|---|---|
| Motor/Gearhead | 감속비 | 2 | 3 | 3.6 | 5 | 6 | 7.5 | 9 | 10 | 12.5 | 15 | 18 | 25 |
| 9RDG□-40G / 9GBK□BMH |
kgf.cm | 5.0 | 6.8 | 8.2 | 11.3 | 13.6 | 17.0 | 20.4 | 22.7 | 28.4 | 34.0 | 40.8 | 51.1 |
| N.m | 0.50 | 0.68 | 0.82 | 1.13 | 1.36 | 1.70 | 2.04 | 2.27 | 2.84 | 3.40 | 4.08 | 5.11 | |
| lb-in | 4.4 | 6.0 | 7.2 | 10.0 | 12.0 | 15.0 | 18.0 | 20.0 | 25.1 | 30.0 | 36.0 | 45.1 |
| 품명 | 회전속도(rpm) | 60 | 50 | 45 | 36 | 30 | 24 | 20 | 18 | 15 | 12 | 10 |
|---|---|---|---|---|---|---|---|---|---|---|---|---|
| Motor/Gearhead | 감속비 | 30 | 36 | 40 | 50 | 60 | 75 | 90 | 100 | 120 | 150 | 180 |
| 9RDG□-40G / 9GBK□BMH |
kgf.cm | 61.3 | 73.6 | 81.5 | 100 | 100 | 100 | 100 | 100 | 100 | 100 | 100 |
| N.m | 6.1 | 7.4 | 8.2 | 10 | 10 | 10 | 10 | 10 | 10 | 10 | 10 | |
| lb-in | 54.1 | 65.0 | 72.0 | 88 | 88 | 88 | 88 | 88 | 88 | 88 | 88 |
50Hz
| 품명 | 회전속도(rpm) | 750 | 500 | 417 | 300 | 250 | 200 | 167 | 150 | 120 | 100 | 83 | 60 |
|---|---|---|---|---|---|---|---|---|---|---|---|---|---|
| Motor/Gearhead | 감속비 | 2 | 3 | 3.6 | 5 | 6 | 7.5 | 9 | 10 | 12.5 | 15 | 18 | 25 |
| 9RDG□-40G / 9GBK□BMH |
kgf.cm | 6.0 | 8.3 | 9.9 | 13.8 | 16.5 | 20.7 | 24.8 | 27.5 | 34.4 | 41.3 | 49.6 | 62.1 |
| N.m | 0.60 | 0.38 | 0.99 | 1.38 | 1.65 | 2.07 | 2.48 | 2.75 | 3.44 | 4.13 | 4.96 | 6.21 | |
| lb-in | 5.3 | 7.3 | 8.7 | 12.2 | 14.6 | 18.3 | 21.9 | 24.3 | 30.4 | 36.5 | 43.8 | 54.8 |
| 품명 | 회전속도(rpm) | 50 | 42 | 38 | 30 | 25 | 20 | 17 | 15 | 13 | 10 | 8 |
|---|---|---|---|---|---|---|---|---|---|---|---|---|
| Motor/Gearhead | 감속비 | 30 | 36 | 40 | 50 | 60 | 75 | 90 | 100 | 120 | 150 | 180 |
| 9RDG□-40G / 9GBK□BMH |
kgf.cm | 74.5 | 89.4 | 99.1 | 100 | 100 | 100 | 100 | 100 | 100 | 100 | 100 |
| N.m | 7.5 | 8.9 | 9.9 | 10 | 10 | 10 | 10 | 10 | 10 | 10 | 10 | |
| lb-in | 65.8 | 78.9 | 87.5 | 88 | 88 | 88 | 88 | 88 | 88 | 88 | 88 |


| Motor | Gearhead |
|---|---|
![]() |
![]() |
| Size(mm) | Gear Ratio |
|---|---|
| 42 | 9GB□ 3MH - 9GB□ 15MH |
| 60 | 9GB□ 18MH - 9GB□ 180MH |
| Part | Weight (kg) | |
|---|---|---|
| Motor | 2.4 | |
| Decimal Gearhead | 0.5 | |
| Gearhead | 9GB□ 3MH - 9GB□ 15MH | 0.67 |
| 9GB□ 18MH - 9GB□ 30MH | 0.96 | |
| 9GB□ 36MH - 9GB□ 180MH | 1.07 | |
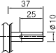
| Model | Round Type | D-Cut Type | Key Type |
|---|---|---|---|
| 9GBS3MH - 9GBS180MH | 9GBD3MH - 9GBD180MH | 9GBK3MH - 9GBK180MH | |
| 출력축 구분 | ![]() |
![]() |
![]() |
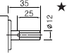
| Model | Gear Type | Round Type | D-Cut Type | Key Type |
|---|---|---|---|---|
| 9RDG□ - 40G | 9RDS□ - 40 | 9RDD□ - 40 | 9RDK□ - 40 | |
| 출력축 구분 | ![]() |
![]() |
![]() |
![]() |
* 상기 표는 출력축의 사양으로써 주문에 의해 제조되며 ★표시는 공장출하시 기본사양입니다.

| 4선식 | 3선식 | ||
|---|---|---|---|
| 단상 (시계방향) | 단상 (반시계방향) | 단상 (시계, 반시계방향) | 삼상 (시계, 반시계방향) |
![]() |
![]() |
|
없음 |