당사는 회원님께 최대한으로 최적화되고 맞춤화된 서비스를 제공하기 위하여 다음과 같은 목적으로 개인정보를 수집하고 있습니다.
단, 이용자의 기본적 인권 침해의 우려가 있는 민감한 개인정보(인종 및 민족, 사상 및 신조, 출신지 및 본적지, 정치적 성향 및 범죄기록, 건강상태 및 성생활 등)는 수집하지 않습니다.
귀하의 개인정보는 다음과 같이 개인정보의 수집목적 또는 제공받은 목적이 달성되면 파기됩니다. 단, 상법 등 관련법령의 규정에 의하여 다음과 같이 거래 관련 권리 의무 관계의 확인 등을 이유로 일정기간 보유하여야 할 필요가 있을 경우에는 일정기간 보유합니다.
귀하의 동의를 받아 보유하고 있는 거래정보 등을 귀하께서 열람을 요구하는 경우 당사는 지체없이 열람, 확인할 수 있도록 조치합니다.
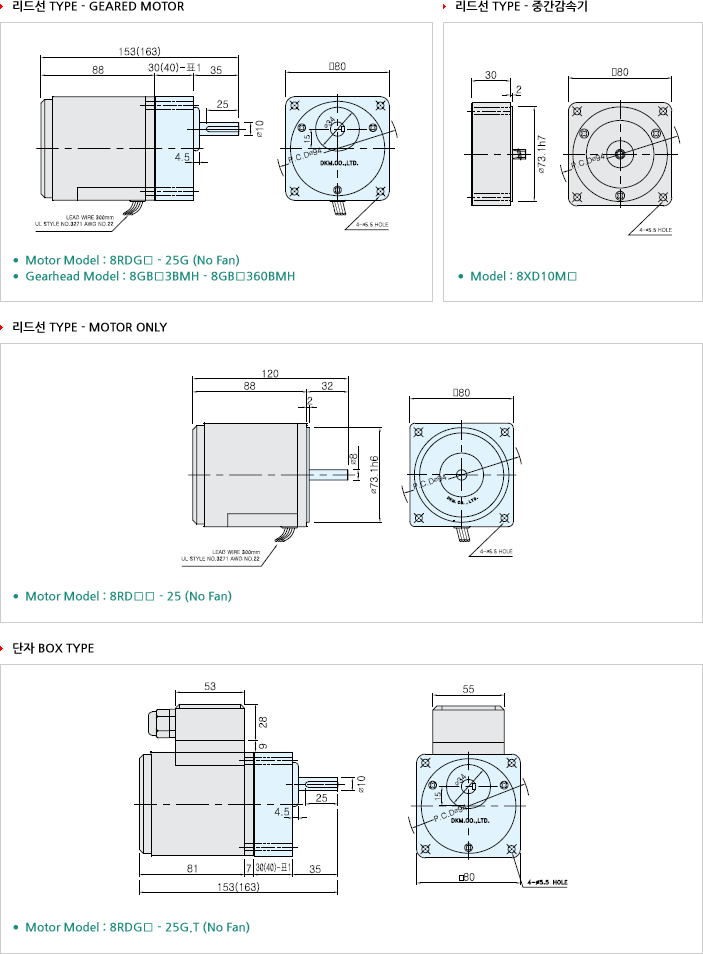
홈 - 제품소개 - 모터 - 소형 모터 - DKM소형모터 생산품




| Model | 출력 | 전압 | 주파수 | 기동 Torque | ||||
|---|---|---|---|---|---|---|---|---|
| 8RDG□-25G : 치절 SHAFT 8RDS□-25 : 둥근(丸) SHAFT |
||||||||
| LEAD선 Type | 단자 Box Type | HP | W | VAC | Hz | gfcm | nM.m | oz-in |
| 8RDG(S)1-25G | 8RDG(S)1-25G-T | 1/30 | 25 | 단상 110 | 60 | 1400 | 140 | 20 |
| 8RDG(S)B-25G-T | 단상 115 | 60 | ||||||
| 8RDG(S)C-25G-T | 단상 220 | 50 | 1400 | 140 | 20 | |||
| 8RDG(S)2-25G | 8RDG(S)2-25G-T | 단상 220 | 60 | |||||
| 8RDG(S)E-25G-T | 단상 230 | 50 | ||||||
| 8RDG(S)F-25G-T | 단상 230 | 60 | ||||||
| Model | 정격 Torque | 정격회전속도 | 콘덴서 사양 | 전류 | ||||
| 8RDG□-25G : 치절 SHAFT 8RDS□-25 : 둥근(丸) SHAFT |
||||||||
| LEAD선 Type | 단자 Box Type | gfcm | nM.m | oz-in | r/min | ㎌ | VAC | A |
| 8RDG(S)1-25G | 8RDG(S)1-25G-T | 1700 | 170 | 24 | 1550 | 10.0 | 250 | 0.75 |
| 8RDG(S)B-25G-T | ||||||||
| 8RDG(S)C-25G-T | 1920 | 192 | 27 | 1300 | 2.5 | 400 | 0.35 | |
| 8RDG(S)2-25G | 8RDG(S)2-25G-T | 1600 | 160 | 23 | 1550 | |||
| 8RDG(S)E-25G-T | 1920 | 192 | 27 | 1300 | ||||
| 8RDG(S)F-25G-T | 1600 | 160 | 23 | 1550 | ||||

60Hz
| 품명 | 회전속도(rpm) | 600 | 500 | 360 | 300 | 240 | 200 | 144 | 120 | 100 | 72 | 60 | 50 |
|---|---|---|---|---|---|---|---|---|---|---|---|---|---|
| Motor/Gearhead | 감속비 | 3 | 3.6 | 5 | 6 | 7.5 | 9 | 12.5 | 15 | 18 | 25 | 30 | 36 |
| 8RDG□-25G / 8GBK□BMH |
kgf.cm | 4.4 | 5.2 | 7.3 | 8.7 | 10.9 | 13.1 | 18.2 | 21.9 | 26.2 | 32.9 | 39.4 | 47.3 |
| N.m | 0.44 | 0.52 | 0.73 | 0.87 | 1.09 | 1.31 | 1.82 | 2.19 | 2.62 | 3.29 | 3.9 | 4.7 | |
| lb-in | 3.9 | 4.6 | 6.4 | 7.7 | 9.6 | 12 | 16 | 19 | 23 | 29 | 35 | 42 |
| 품명 | 회전속도(rpm) | 45 | 36 | 30 | 24 | 20 | 18 | 15 | 12 | 10 | 7 | 6 | 5 |
|---|---|---|---|---|---|---|---|---|---|---|---|---|---|
| Motor/Gearhead | 감속비 | 40 | 50 | 60 | 75 | 90 | 100 | 120 | 150 | 180 | 250 | 300 | 360 |
| 8RDG□-25G / 8GBK□BMH |
kgf.cm | 52.6 | 59.4 | 71.3 | 80 | 80 | 80 | 80 | 80 | 80 | 80 | 80 | 80 |
| N.m | 5.2 | 5.9 | 7.1 | 8 | 8 | 8 | 8 | 8 | 8 | 8 | 8 | 8 | |
| lb-in | 52 | 63 | 71 | 71 | 71 | 71 | 71 | 71 | 71 | 71 | 71 | 71 |
50Hz
| 품명 | 회전속도(rpm) | 500 | 417 | 300 | 250 | 200 | 167 | 120 | 100 | 83 | 60 | 50 | 42 |
|---|---|---|---|---|---|---|---|---|---|---|---|---|---|
| Motor/Gearhead | 감속비 | 3 | 3.6 | 5 | 6 | 7.5 | 9 | 12.5 | 15 | 18 | 25 | 30 | 36 |
| 8RDG□-25G / 8GBK□BMH |
kgf.cm | 5.3 | 6.4 | 8.9 | 10.7 | 13.4 | 16.0 | 22.3 | 26.7 | 32.1 | 40.2 | 48.2 | 57.8 |
| N.m | 0.53 | 0.64 | 0.89 | 1.07 | 1.34 | 1.60 | 2.23 | 2.67 | 3.21 | 4.02 | 4.8 | 5.8 | |
| lb-in | 4.7 | 5.7 | 7.9 | 9.4 | 11.8 | 14 | 20 | 24 | 28 | 35 | 43 | 51 |
| 품명 | 회전속도(rpm) | 38 | 30 | 25 | 20 | 16 | 15 | 15 | 10 | 8 | 6 | 5 | 4 |
|---|---|---|---|---|---|---|---|---|---|---|---|---|---|
| Motor/Gearhead | 감속비 | 40 | 50 | 60 | 75 | 90 | 100 | 120 | 150 | 180 | 250 | 300 | 360 |
| 8RDG□-25G / 8GBK□BMH |
kgf.cm | 64.2 | 72.6 | 80 | 80 | 80 | 80 | 80 | 80 | 80 | 80 | 80 | 80 |
| N.m | 6.4 | 7.3 | 8 | 8 | 8 | 8 | 8 | 8 | 8 | 8 | 8 | 8 | |
| lb-in | 64 | 71 | 71 | 71 | 71 | 71 | 71 | 71 | 71 | 71 | 71 | 71 |


| Motor | Gearhead |
|---|---|
![]() |
![]() |
| Size(mm) | Gear Ratio |
|---|---|
| 30 | 8GB□ 3BMH - 8GB□ 18BMH |
| 40 | 8GB□ 25BMH - 8GB□ 360BMH |
| Part | Weight (kg) | |
|---|---|---|
| Motor | 1.6 | |
| Decimal Gearhead | 0.44 | |
| Gearhead | 8GB□ 3BMH - 8GB□ 18BMH | 0.48 |
| 8GB□ 25BMH - 8GB□ 30BMH | 0.61 | |
| 8GB□ 36BMH - 8GB□ 180BMH | 0.67 | |
| 8GB□ 200BMH - 8GB□ 360BMH | 0.63 | |
| Model | Round Type | D-Cut Type | Key Type |
|---|---|---|---|
| 8GBS3BMH - 8GBS360BMH | 8GBD3BMH - 8GBD360BMH | 8GBK3BMH - 8GBK360BMH | |
| 출력축 구분 | ![]() |
![]() |
![]() |
| Model | Gear Type | Round Type | D-Cut Type | Key Type |
|---|---|---|---|---|
| 8RDG□ - 25G | 8RDS□ - 25 | 8RDD□ - 25 | 8RDK□ - 25 | |
| 출력축 구분 | ![]() |
![]() |
![]() |
![]() |
* 상기 표는 출력축의 사양으로써 주문에 의해 제조되며 ★표시는 공장출하시 기본사양입니다.

| 4선식 | 3선식 | ||
|---|---|---|---|
| 단상 (시계방향) | 단상 (반시계방향) | 단상 (시계, 반시계방향) | 삼상 (시계, 반시계방향) |
![]() |
![]() |
|
없음 |